| Pos. | Bezeichnung | Ersatzteilnummer | |
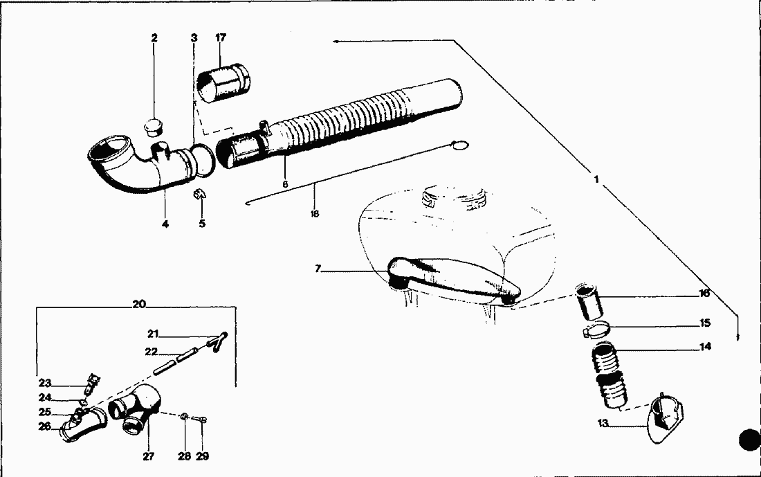
| 1 | STAEUBETEILE 423 | 4900233 |
| 2 | VERSCHL.KAPPE 36/43X14 | 4074346 |
| 3 | O.RING68X7NBR/PERB 70SH. | 0062119 |
| 4 | GEBLAESEKRUEMMER | 4073140 |
| 5 | FUEHRUNGSZAPFEN | 4074250 |
| 6 | FALTENSCHLAUCH | 4400156 |
| 7 | BELUEFTUNGSVERTEILER | 4071175 |
| 13 | VERLAENG.ST.34,5X33,5FORMT. | 4074324 |
| 14 | FALTENSCHLAUCH 31,5X331STAUBABF | 4071200 |
| 15 | SCHELLE25-40 3SGL SPN. | 0066178 |
| 16 | STUTZEN32X45,5 ABFLUSS.PPR1042 | 4074266 |
| 17 | FILZ88X226,5X1,5 SK. | 0061157 |
| 18 | DRAHT1,5X650CU. | 0043105 |
| 20 | DUESE SPRUEH.DP.36/42 | 4900137 |
| 21 | STUTZEN10X20 Y.STUECK LUPO. | 4074143 |
| 22 | SCHLAUCH8X2XMT.PVC GLASKLAR | 0064138 |
| 23 | DOSIERHUELSE1,7/2,5/4/6,5SWZ. | 4074165 |
| 24 | O.RING12X2NBR/PERB 70SH.CA. | 0062106 |
| 25 | DOSIERKOERPER | 4074307 |
| 26 | DUESE KRUEMMER.36/42 | 4073156 |
| 27 | GABELSTUECK | 4073155 |
| 28 | 6KT.MU.M4 934-8ZN GELB | 0020106 |
| 29 | ZYL.SHR.M4X20 84A-4.8ZN | 0010146 |
| -- | DOSIEREINRICHTUNG ULV-ZUSATZ | 4900169 |
| -- | FLUESS.PUMPE | 4400117 |