| Pos. | Bezeichnung | Ersatzteilnummer | |
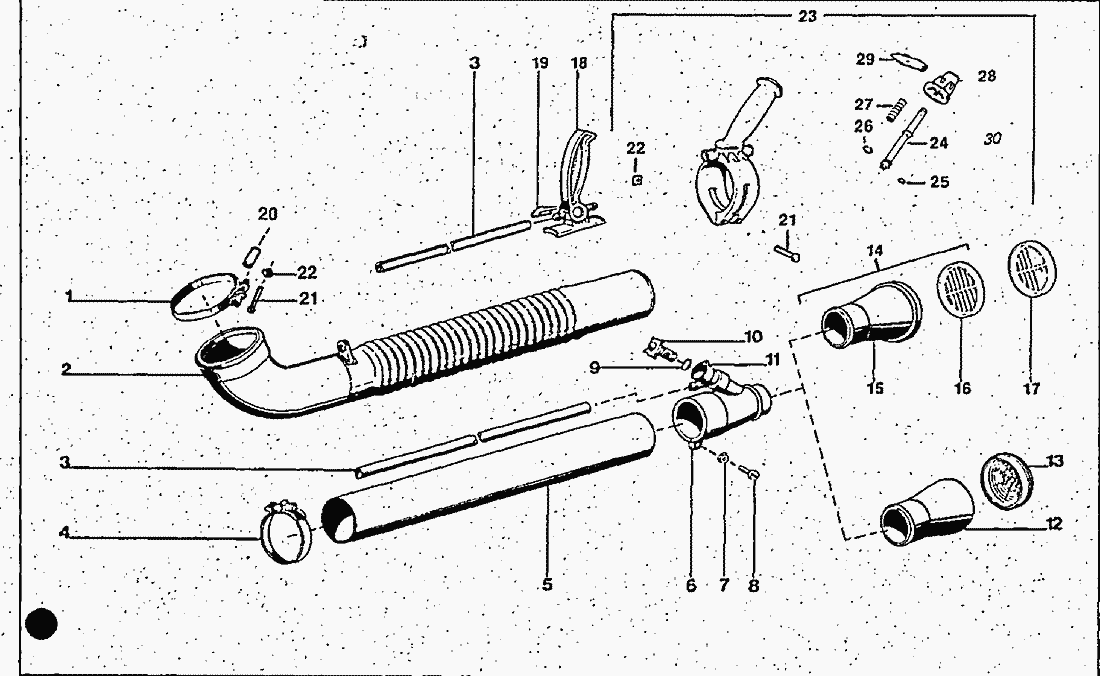
| 1 | SCHELLE87X10 | 0066416 |
| 2 | FALTENSCHLAUCH MIT KRUEMMER | 4400136 |
| 3 | SCHLAUCH8X2XMT.PVC GLASKLAR | 0064138 |
| 4 | SCHELLE68X10 | 0066399 |
| 5 | SPRUEHROHR 63X1,2X550PVC HART | 4065137 |
| 6 | DUESE SPRUEH.50/62,5 | 4073141 |
| 7 | 6KT.MU.M4 934-8ZN GELB | 0020106 |
| 8 | ZYL.SHR.M4X20 84A-4.8ZN | 0010146 |
| 9 | O.RING12X2FPM/VITON 80SH. | 0062267 |
| 10 | DOSIERHUELSE1,7/2,5/4/6,5SWZ. | 4074165 |
| 11 | ROHR6/7X54XFORM. DUESEN. | 4074251 |
| 12 | DUESE WEITSTRAHL. | 4073232 |
| 13 | BREITSTRAHLGITTER | 4074721 |
| 14 | DUESE UMLENK.AUFSATZ.54/86 | 4900264 |
| 15 | DUESE AUFSATZ.54/86 | 4073142 |
| 16 | UMLENKGITTER | 4074308 |
| 17 | GITTER DP. | 4074306 |
| 18 | HANDGRIFF | 4800121 |
| 19 | HEBEL | 4074301 |
| 20 | KAPPE4X6X20 PVC.AUSTECK. | 4074318 |
| 21 | ZYL.SHR.M5X50/30 | 0011274 |
| 22 | Vierkantmutter M5 | 0020160 |
| 23 | HANDGRIFF | 4800177 |
| 24 | VENTILKOERPER | 4074481 |
| 25 | O.RING6X2,5FPM/VITON 80SH. | 0062248 |
| 26 | O.RING12X2,5FPM/VITON 80SH. | 0062263 |
| 27 | FEDER 1,8X11,4X38 DRK. | 0070271 |
| 28 | DECKEL | 4074480 |
| 29 | HEBEL | 4074479 |
| 30 | BOLZEN4,8X26,5 PP=MAT.SWZ. | 4074295 |