Zurück zu
Solo
>
Pflanzenschutzgeräte
>
Sprühgeräte
>
PORT 423 / PORT 423 FP
>
ET 11/1989 Druck 9 423 743
>
Starter / Zünder
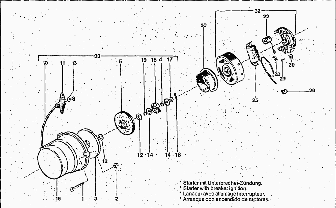
Ersatzteillisten für Solo Pflanzenschutzgeräte Starter / Zünder
Pos.
Bezeichnung
Ersatzteilnummer
--
MOTOR 70CCM +AUSPUFF 423
2000262
1
ZYL.SHR.M6X30 84A-5.8ZN
0010221
2
Sechskantmutter M6
0020122
3
RUECKZUGFEDER VS.
2600265
4
Sicherungsscheibe 4 mm
0055101
5
SEILROLLE VS.
2600116
10
STARTERSEIL4,2x1000
0063178
11
STARTERGRIFF
2074206
12
SCHEIBE10,2X20X0,5MS.
0032100
13
Scheibe 6,4 mm <- )
0030100
14
SCHEIBE5,2/10,2X23X1MS. DRK.
2042102
15
STARTERKLINKE
2074369
16
STARTERGEHAEUSE 423P
2100443
17
FEDER 0,3X5,2X23 FL.STERNFORM
0073117
18
FEDERSTECKER1,O
0073158
19
Sicherungsscheibe
0055104
20
ANWURFROLLE
2012545
22
KONDENSATOR
0520145
25
ZUENDSPULE
0520143
26
KERZENSTECKER
2300623
28
UNTERBRECHER
0520144
29
ZYL.SHR.M4X16 84A-4.8ZN
0010188
30
Sicherungsscheibe
0072148
32
ZUENDMODUL
2300390
33
STARTER RL.SWZ.
2600170
Gebrauchsanweisungen
Solo
Pflanzenschutzgeräte
Druckspritzen
Rückenspritzen
Motor Rückenspritzen
Sprühgeräte
Master 412 / Master 412 FP
PORT 423 / PORT 423 FP
ET 11/1989 Druck 9 423 743
Starter / Zünder
Starter / Zünder
Motor
Gebläse / Behältergestell
Sprührohr
Zubehör
ET 10/1992 Druck 9 423 744
ET 04/1997 Druck 9 423 745
ET 07/1996 Druck 9 423 746
ET 03/1999 Druck 9 423 747
ET 07/2001 Druck 9 423 748
PORT 423 S
444
450
Fahrbare Sprühgeräte
Granulat-Streuer
Motorsägen
Motorsensen
Motorhacken
Balkenmäher
Vertikutierer
Rasenmäher
Blasgeräte
Multimot
Impressum
(C) by motoruf