| Pos. | Bezeichnung | Ersatzteilnummer | |
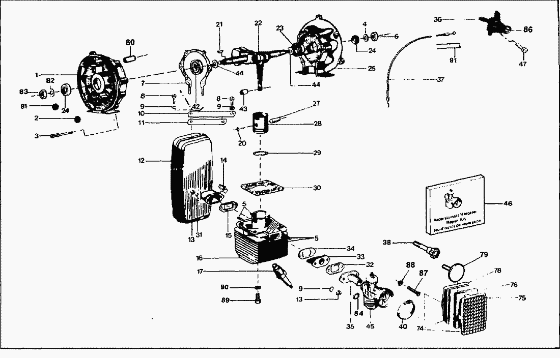
| 1 | KURBELGEHAEUSE ZS. | 2100313 |
| 2 | TUELLE4/14/18X4/8 KABEL. | 0066101 |
| 3 | ZYL.SHR.M5X35 84-5.8Z4ZN | 0010318 |
| 4 | Schnorrsicherung 10 | 0034135 |
| 5 | STIFTSHR.M6X18 940 FO GEBOND. | 0015209 |
| 6 | 6KT.MU.M10X1 936 GÜTE04 | 0020107 |
| 7 | DIC.KURBELGEHAEUSE 0,3DICK | 2061157 |
| 8 | ZYL.SHR.M6X12 84A-4.8ZN GELB | 0010194 |
| 9 | FEDERSCHEIBE6 137B | 0034107 |
| 10 | STREBE12X2X87/105AUSPUFF. | 2023366 |
| 11 | STREBE12X2X60,5/79,5AUSPUFF. | 2023367 |
| 12 | AUSPUFF BL. | 2500351 |
| 12 | AUSPUFF BL. | 2500354 |
| 13 | 6-kt. Mutter M6 | 0020102 |
| 14 | 6KT.MU.M6 SW9 20LG. | 0021100 |
| 15 | DIC.AUSPUFF1,5 DICK | 2061140 |
| 16 | ZYL.48,00 BU. | 2200935 |
| 16 | ZYL.48,50 BU. | 2200936 |
| 17 | ZUENDKERZE W 8AC 0241229604 | 2300106 |
| 20 | SI.RING12X1A SPRG. | 0055122 |
| 21 | Scheibenfeder 2x3,7 mm | 0075100 |
| 22 | KURBELWELLE | 2200640 |
| 23 | KUG.LAG.15X42X13 6302 C4 | 0050125 |
| 24 | WD.RING15X26X7B3760 | 0054133 |
| 25 | KURBELGEHAEUSE AS. | 2100311 |
| 27 | KOLBENBOLZEN12/8X40 | 2031168 |
| 28 | KOLBEN 48,00+BO.+SI.SET | 2200889 |
| 28 | KOLBEN 48,50+BO.+SI.SET | 2200893 |
| 29 | KOLBENRING48X2FS2FZ | 2048116 |
| 29 | KOLBENRING48,5X2FS2F | 2048255 |
| 30 | DIC.ZYL.0,5 DICK | 2061113 |
| 31 | Federring 6 | 0034114 |
| 32 | DIC.VERGASER.0,5 DICK | 2061336 |
| 33 | FLANSCH ISOLIER. | 2074616 |
| 34 | DIC.VERGASER.0,5 DICK | 2061127 |
| 35 | KRUEMMER VERGASER. | 2012140 |
| 36 | REG.HEBEL | 2800284 |
| 37 | BOWDENZUG GAS1X731 | 2800124 |
| 37 | BOWDENZUG GAS1X580 | 2800263 |
| 38 | LI.ZYL.SHR.M6X25 85B-4.8 | 0010557 |
| 40 | SCHELLE68X10 | 0066399 |
| 42 | KUG.LAG.15X35X11 6202 C4 | 0050102 |
| 43 | NADELKAEFIG12X15X17,5 0-2KBK | 0052205 |
| 44 | SCHEIBE15,3X22X0,5 | 0031375 |
| 45 | VERGASER 1/15/110 | 2300558 |
| 46 | REP.SET.VERG.44-021-225 1/15/106 | 0510852 |
| 47 | Linsenschraube 5x25 mm | 0018257 |
| 74 | FILTER LUFT. | 2500570 |
| 75 | DECKEL FILTER. | 2073500 |
| 76 | FILTEREINSATZ | 2048157 |
| 78 | FILTERGEHAEUSE | 2500572 |
| 79 | SCHEIBE43X48X2 | 2074252 |
| 80 | STIFT5M6X16 7ZYL. | 0040102 |
| 81 | TUELLE9X12/16X2/7 KABEL. | 2063229 |
| 82 | SI.BLECH14,5X0,5+421 | 0035141 |
| 83 | 6KT.MU.M10X1 15H.SW.21 SPN. | 0021210 |
| 84 | O.RING20X1,5NBR/PERB 70SH.CA. | 0062235 |
| 86 | ZYL.BL.SHR.6,3X19 7971C.ZN.GB. | 0010222 |
| 87 | ZYL.SHR.M5X50/30 | 0011274 |
| 88 | Vierkantmutter M5 | 0020160 |
| 89 | ZYL.SHR.M6X25 912 12.9ZN GELB | 0010509 |
| 90 | SI.SCHEIBE6S ZN GELB SCR. | 0034120 |