Zurück zu
>
Roth / TORO
>
Handgeräte
>
Schneefräsen
>
einstufig
>
CR 1000
>
603/38195
>
1000001
>
Rotorgehäuse
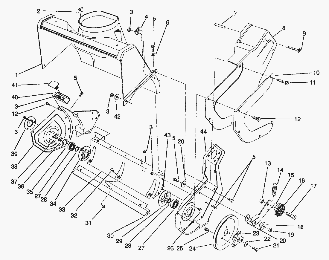
Ersatzteillisten für Toro Roth / TORO Rotorgehäuse
Pos.
Bezeichnung
Ersatzteilnummer
1
Gehaeuse
55-8700
2
Blechmutter
32115-14
3
MUTTER
3296-42
4
Halter
55-9430
5
Schraube
321-4
6
scheibe
3256-22
7
Huelse
57-3830
8
Riemenabdeckung
71-5030
9
Schraube
71-5350
10
Guard-Drive Cover
71-5150
11
Schraube
36-3860
12
Schraube
32105-15
13
Mutter
3296-39
14
Bremsfeder
71-5470
15
Arm-Brake
71-5160
16
Riemenscheibe
71-5260
17
Screw-Cap Hex. Hd.
323-44
18
Washer-Spacer
80-4620
19
STOPMUTTER
3296-56
20
Scheibe
3256-55
21
Schraube
321-30
22
Tellerscheibe
3290-456
23
Nabe
71-5070
24
Riemenscheibe
71-5410
25
Schraube
12-3270
26
Schraube
32105-8
27
Kugellager
38-7820
28
Scheibe
52-7280
29
Lagerschale
38-8620
30
Schuerfleiste
71-5390
31
Hutmutter
32128-10
32
Schraube
3229-11
33
Housing-Lower
71-4930
34
Lagerdeckel
52-9110
35
Washer-Rubber
52-7270
36
Scheibe
3256-24
37
Screw-Cap Hex Flange
3234-25
38
Sideplate-R.H.
71-4920
39
Retainer-Bearing
52-7290
40
Bracket-Support
71-5310
41
Cover-Bracket
71-5270
42
Scheibe
3256-67
43
Mutter
3296-2
44
Sideplate-L.H.
71-1911
Gebrauchsanweisungen
Toro
Roth / TORO
Aufsitzmäher
Handgeräte
Kehrmaschinen
Schneefräsen
Zubehör
zweistufig
einstufig
Snow Commander
CCR 3650 GTS
CCR 3000
CCR 2450
CCR 2400
CCR 2000
CR 1000
603/38196
603/38195
69000001
59000001
49000001
39000001
2000001
1000001
Motor Tecumseh Modell-Nr. HSK600 Typ 1660-N
Starter Nr. 590537
Vergaser Nr. 632552
Holm
StarterMotor
Motor
Rotor
Rotorgehäuse
oberer Abdeckung (Fortsetzung)
oberer Abdeckung
0000001
603/38191
CR 20
CR 20 R
S 620
S 200
CCR Powerlite
Sauger/Bläser
Rasenmäher
Robin
Impressum
(C) by motoruf