Zurück zu
Solo
>
Pflanzenschutzgeräte
>
Fahrbare Sprühgeräte
>
Minor-Motor 20 00 241
>
ET 06/1996 Druck 9 436 706
>
Rahmen
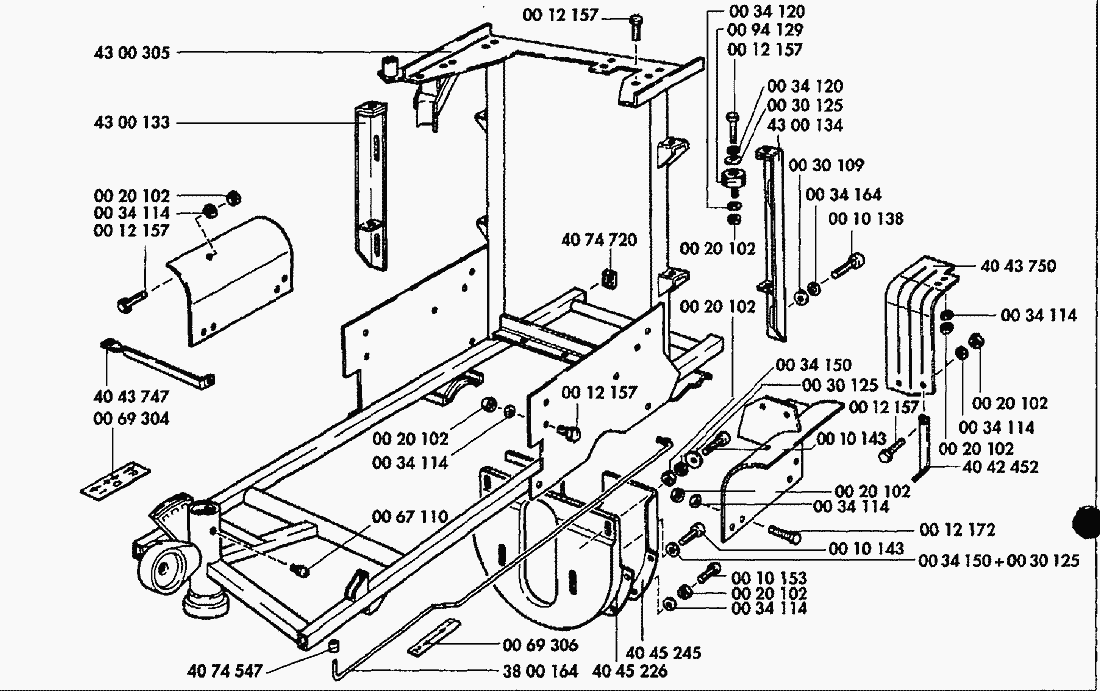
Ersatzteillisten für Solo Pflanzenschutzgeräte Rahmen
Pos.
Bezeichnung
Ersatzteilnummer
0020102
6-kt. Mutter M6
0020102
0030125
Scheibe 6,4 mm
0030125
0010143
ZYL.SHR.M6X16 84-4.8ZN
0010143
0034164
FEDERRING8 7980 ZN
0034164
0034114
Federring 6
0034114
4300134
SCHIENE R.SPN.
4300134
3800164
SCHALTSTANGE 1+2GANG
3800164
0069304
SKS.0+PFEILE VOR ZURUECK
0069304
4074720
STOPFEN30X50 PL.
4074720
4043747
ABSTUETZUNG
4043747
4074547
SCHUTZKAPPE12X20 ROHR.
4074547
0069306
SKS.1-2GANG
0069306
0094129
GI.METALL25X15
0094129
0034150
FEDERRING6 7980
0034150
0034120
SI.SCHEIBE6S ZN GELB SCR.
0034120
0012157
Sechskantschraube M6x12
0012157
0030109
SCHEIBE8,4 125ST B ZN GELB
0030109
0067110
SCHMIERNIPPEL D8 3402A KUG.
0067110
4300133
SCHIENE L.SPN.
4300133
0012172
6-kt. Schraube M6x16
0012172
4300305
RAHMEN
4300305
0010153
ZYL.SHR.M6X10 84A-5.8ZN
0010153
0010138
ZYL.SHR.M8X25 912-8.8ZN GELB
0010138
4045226
KEILRIEMENSCHUTZ
4045226
4043750
STRAHLUNGSSCHUTZ (LACKIERT)
4043750
4042452
STREBE
4042452
4045245
DECKEL RIEMENSCHUTZ.
4045245
Gebrauchsanweisungen
Solo
Pflanzenschutzgeräte
Druckspritzen
Rückenspritzen
Motor Rückenspritzen
Sprühgeräte
Fahrbare Sprühgeräte
Minor 436
Rider 437
Trac 439
Sprüheinheit 459
Minor-Motor 20 00 241
ET 11/1989 Druck 9 436 702
ET 03/1996 Druck 9 436 705
ET 06/1996 Druck 9 436 706
Motor
Starter / Zünder
Getriebe 3000212
Membranpumpe / Gebläseeinheit
Vergaser / Luftfilter / Auspuff
Kraftstoffbehälter / Brühebehälter
Räder / Bremsanlage
Holm / Druckregler
Rahmen
Räder / Bremsanlage
Fahrschemel 4900371
Schaltung / Kupplung
Rahmen
Zubehör
Granulat-Streuer
Motorsägen
Motorsensen
Motorhacken
Balkenmäher
Vertikutierer
Rasenmäher
Blasgeräte
Multimot
Impressum
(C) by motoruf