Zurück zu
Solo
>
Pflanzenschutzgeräte
>
Fahrbare Sprühgeräte
>
Minor-Motor 20 00 241
>
ET 06/1996 Druck 9 436 706
>
Kraftstoffbehälter / Brühebehälter
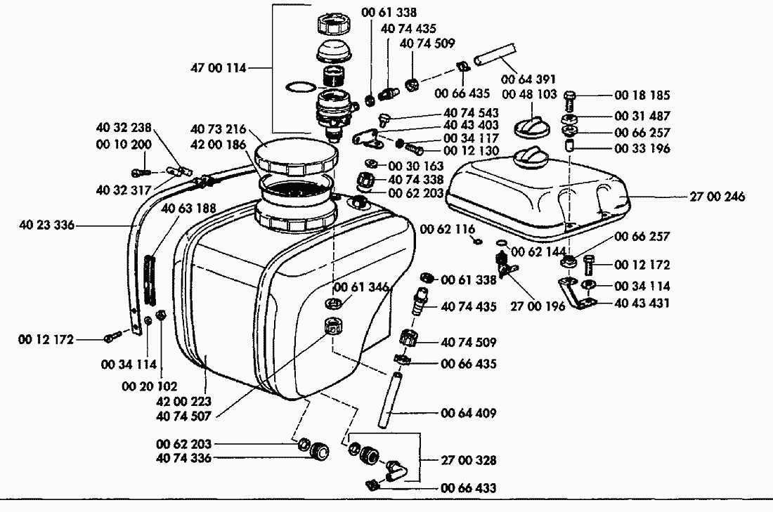
Ersatzteillisten für Solo Pflanzenschutzgeräte Kraftstoffbehälter / Brühebehälter
Pos.
Bezeichnung
Ersatzteilnummer
4032317
BOLZEN12X25 ZUG.
4032317
0061338
DIC.26X40X2
0061338
0034114
Federring 6
0034114
4023336
SPANNBAND
4023336
0034117
Federring 8
0034117
0064391
SCHLAUCH19X4XMT.PVC+GEW.21BAR
0064391
0064409
SCHLAUCH19X4X600
0064409
2700246
BENZINTANK
2700246
0066435
SCHELLE25/28X6KLEMM 2OHR
0066435
0066433
SCHELLE15/18X8 KLEMM.2OHR
0066433
0066257
TUELLE8/14/20X3,5/7,5NBR.
0066257
4074509
MU.R1 1/4"ÜW.
4074509
4073216
DECKEL BEHAELTER.
4073216
4074336
MU.R3/4"ÜW.PP=MAT.SWZ.
4074336
4074435
STUTZEN3/4"X33/R3/4"GES.
4074435
4043403
ABSTUETZUNG
4043403
4063188
PROFILSTUECK6X30X590NBR/PERB
4063188
4200186
EINFUELLKORB
4200186
4043431
HALTER TANK.
4043431
0033196
ROHR 9X1,2X12DIST.
0033196
4074543
STOPFEN R1/4"SHL.KEG.BST.PA6
4074543
4074507
MU.R1 1/4" RDL.NUT
4074507
4032238
BOLZEN12X25/M6 SPN.
4032238
0062116
O.RING9X2NBR/PERB 70SH.CA.
0062116
4200223
BRUEHEBEHAELTER 120LTR.VS.
4200223
0018185
6KT.SHR.M6X20FLSH.M6SF-TT.WN78
0018185
Gebrauchsanweisungen
Solo
Pflanzenschutzgeräte
Druckspritzen
Rückenspritzen
Motor Rückenspritzen
Sprühgeräte
Fahrbare Sprühgeräte
Minor 436
Rider 437
Trac 439
Sprüheinheit 459
Minor-Motor 20 00 241
ET 11/1989 Druck 9 436 702
ET 03/1996 Druck 9 436 705
ET 06/1996 Druck 9 436 706
Motor
Starter / Zünder
Getriebe 3000212
Membranpumpe / Gebläseeinheit
Vergaser / Luftfilter / Auspuff
Kraftstoffbehälter / Brühebehälter
Räder / Bremsanlage
Holm / Druckregler
Rahmen
Räder / Bremsanlage
Fahrschemel 4900371
Schaltung / Kupplung
Rahmen
Zubehör
Granulat-Streuer
Motorsägen
Motorsensen
Motorhacken
Balkenmäher
Vertikutierer
Rasenmäher
Blasgeräte
Multimot
Impressum
(C) by motoruf