Zurück zu
Solo
>
Pflanzenschutzgeräte
>
Fahrbare Sprühgeräte
>
Trac 439
>
ET 06/1996 Druck 9 436 706
>
Räder / Bremsanlage
Ersatzteillisten für Solo Pflanzenschutzgeräte Räder / Bremsanlage
Pos.
Bezeichnung
Ersatzteilnummer
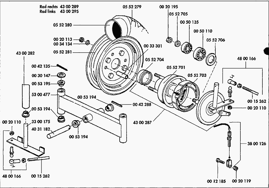
0020110
6KT.MU.M10 4032-8 ZN GELB
0020110
0552704
*** keine Bezeichnung vorhanden
0552704
4800166
STANGE SPUR.
4800166
0552706
*** keine Bezeichnung vorhanden
0552706
0053194
BU.20X24/30X15 LAG.M.BND.
0053194
0015262
STANGE M10X245 GWD.
0015262
3800126
*** keine Bezeichnung vorhanden
3800126
0042135
SPLINT4X30
0042135
0050110
KUG.LAG.25X52X15 6205 2RS
0050110
0012185
6KT.SHR.M8X25 933-8.8ZN GELB
0012185
0030147
SCHEIBE21 125ST ZN
0030147
4300282
RAHMEN
4300282
5300477
ACHSE VORDERRAD.VS.
5300477
0020195
*** keine Bezeichnung vorhanden
0020195
0020119
Sechskantmutter M8
0020119
4300287
RADNABE RE VS.
4300287
0020113
6KT.MU.M12 934-8ZN GELB
0020113
3300175
WELLE LENK.
3300175
4300295
RAD 6,00-6AM L.
4300295
0552279
REIFEN6-6,00AM
0552279
0053195
BU.10,2X16,9X10,7LAG.
0053195
0050135
KUG.LAG.20X42X12 6004 2RS
0050135
0033301
ROHR18X2,5X47DIST.
0033301
0042288
HUELSE5X30 1481SPN.
0042288
0552281
*** keine Bezeichnung vorhanden
0552281
0552280
SCHLAUCH6-6,00"
0552280
0552703
*** keine Bezeichnung vorhanden
0552703
0552705
*** keine Bezeichnung vorhanden
0552705
0552701
*** keine Bezeichnung vorhanden
0552701
4300289
RAD 6,00-6AM R.
4300289
0034134
FEDERRING12 128A ZN PAKETIERT
0034134
4031182
BOLZEN20X126 VORDERACHS.
4031182
Gebrauchsanweisungen
Solo
Pflanzenschutzgeräte
Druckspritzen
Rückenspritzen
Motor Rückenspritzen
Sprühgeräte
Fahrbare Sprühgeräte
Minor 436
Rider 437
Trac 439
ET 11/1989 Druck 9 436 702
ET 03/1996 Druck 9 436 705
ET 06/1996 Druck 9 436 706
Motor
Starter / Zünder
Getriebe 3000212
Membranpumpe / Gebläseeinheit
Vergaser / Luftfilter / Auspuff
Kraftstoffbehälter / Brühebehälter
Räder / Bremsanlage
Holm / Druckregler
Rahmen
Räder / Bremsanlage
Fahrschemel 4900371
Schaltung / Kupplung
Rahmen
Zubehör
Sprüheinheit 459
Minor-Motor 20 00 241
Granulat-Streuer
Motorsägen
Motorsensen
Motorhacken
Balkenmäher
Vertikutierer
Rasenmäher
Blasgeräte
Multimot
Impressum
(C) by motoruf