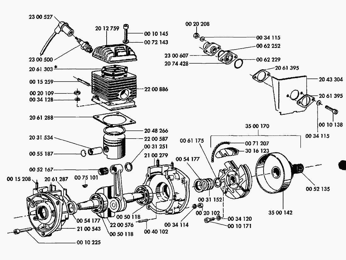
Pos. | Bezeichnung | Ersatzteilnummer | |
0034114 | Federring 6 | 0034114 |
0054177 | WD.RING22X32X7B3760 | 0054177 |
0034128 | FEDERSCHEIBE8 137B FDST. | 0034128 |
2043304 | LUFTFUEHRUNGSBLECH | 2043304 |
2048266 | KOLBENRING70X1,5 70910 | 2048266 |
2200587 | KOLBEN 70,00 | 2200587 |
2300500 | ZUENDKERZE W 5AC 0241245602 | 2300500 |
2200886 | ZYL.70,00 NI.+KO. | 2200886 |
0052167 | NADELKAEFIG16X20X20 KBK 0-2 | 0052167 |
2300607 | VERGASERSTUTZEN | 2300607 |
0050118 | KUG.LAG.25X52X15 6205 C4 | 0050118 |
0034115 | SI.SCHEIBE8 SCR. | 0034115 |
0055187 | SI.RING16X1A SPRG. | 0055187 |
0062229 | O.RING35X2FPM/VITON | 0062229 |
0015259 | STIFTSHR.M8X35 835 | 0015259 |
0020102 | 6-kt. Mutter M6 | 0020102 |
0040102 | STIFT5M6X16 7ZYL. | 0040102 |
2100543 | KURBELGEHAEUSE ZS. | 2100543 |
0031251 | SCHEIBE16X23X0,6 AN. | 0031251 |
0015208 | STIFTSHR.M8X22 835-8.8 | 0015208 |
0052135 | NADELKAEFIG18X22X17K | 0052135 |
0020208 | 6KT.MU.M8 THE.SW.12 | 0020208 |
0031152 | SCHEIBE18X28X1,5 AN.NR.1 | 0031152 |
0062252 | O.RING27X2,5 NBR 70 | 0062252 |
3500170 | KUPPLUNG 18 FLIEHKRAFT.SERVO | 3500170 |
3500142 | KU.GLOCKE22/88,5D M.KRSHB. | 3500142 |
0071207 | FEDER 1,2X3,8X215 ZUG. | 0071207 |
2200576 | KURBELWELLE 3TLG. | 2200576 |
0034120 | SI.SCHEIBE6S ZN GELB SCR. | 0034120 |
0010145 | ZYL.SHR.M6X35 912-8.8ZN GELB | 0010145 |
0020109 | 6KT.MU.M8 934-8ZN.GELB | 0020109 |
0010138 | ZYL.SHR.M8X25 912-8.8ZN GELB | 0010138 |
2100279 | KURBELGEHAEUSE AS. | 2100279 |
0010225 | ZYL.SHR.M6X65 912-8.8ZN GELB | 0010225 |
3016123 | FLIEHGEWICHT | 3016123 |
2061287 | DIC.KURBELGEHAEUSE 0,5DICK | 2061287 |
2300527 | Kerzenstecker | 2300527 |
2061303 | DIC.ZYL.KOPF 0,8 DICK. | 2061303 |
2061288 | DIC.ZYL.0,5 DICK | 2061288 |
0072143 | Scheibe 6mm | 0072143 |
0075101 | SCHEIBENFEDER3X3,7 6888C45K | 0075101 |
2061395 | DIC.AUSPUFF1,5DICK | 2061395 |
2012759 | ZYL.KOPF | 2012759 |
2074428 | VERGASERFLANSCH | 2074428 |
2031534 | KOLBENBOLZEN16/11X50 | 2031534 |
0061175 | FILZRING 18X22X1,5 | 0061175 |
0010171 | ZYL.SHR.M6X20 6912 ZN | 0010171 |