Wolf-Garten VA 389 B 16BHHJ0H650 (2019) Ersatzteile
16BHHJ0H650 (2019) VA 389 B

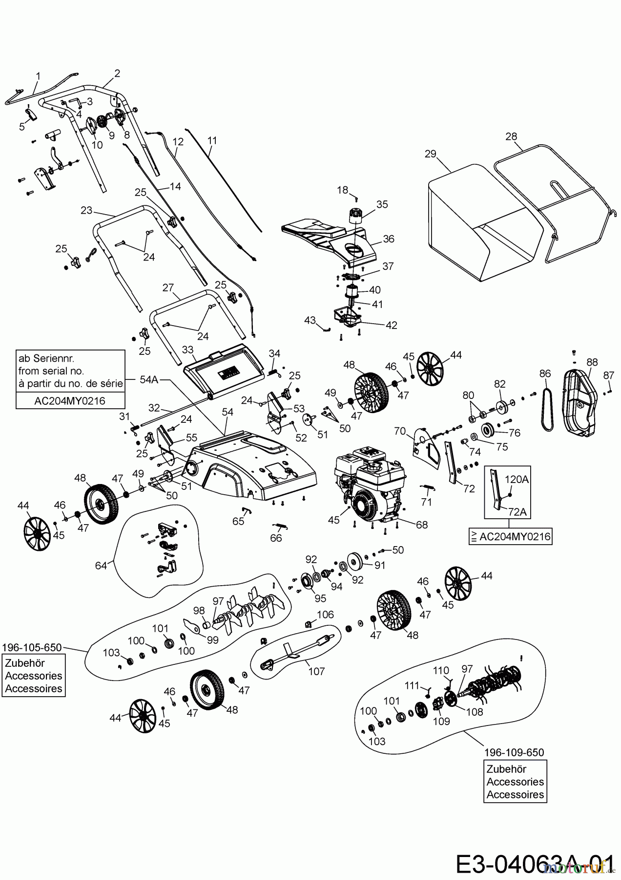
Hier finden Sie die Ersatzteilzeichnung für Wolf-Garten Motorvertikutierer VA 389 B 16BHHJ0H650 (2019) Grundgerät. Wählen Sie das benötigte Ersatzteil aus der Ersatzteilliste Ihres Wolf-Garten Gerätes aus und bestellen Sie einfach online. Viele Wolf-Garten Ersatzteile halten wir ständig in unserem Lager für Sie bereit.
Häufig benötigte Wolf-Garten VA 389 B 16BHHJ0H650 (2019) Ersatzteile


Qualitätsmanagement
Informieren Sie uns, wenn Sie einen Fehler gefunden haben.













