Wolf-Garten Expert 7190 HD 31AY55SY650 (2018) Auswurfschacht, Joystick Ersatzteile
Auswurfschacht, Joystick 31AY55SY650 (2018)

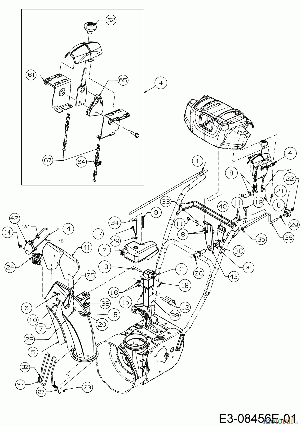
Hier finden Sie die Ersatzteilzeichnung für Wolf-Garten Schneefräsen Expert 7190 HD 31AY55SY650 (2018) Auswurfschacht, Joystick. Wählen Sie das benötigte Ersatzteil aus der Ersatzteilliste Ihres Wolf-Garten Gerätes aus und bestellen Sie einfach online. Viele Wolf-Garten Ersatzteile halten wir ständig in unserem Lager für Sie bereit.


Qualitätsmanagement
Informieren Sie uns, wenn Sie einen Fehler gefunden haben.














