Wolf-Garten Expert 7190 HD 31AY55SY650 (2016) Fahrantrieb, Fräsantrieb Ersatzteile
Fahrantrieb, Fräsantrieb 31AY55SY650 (2016)

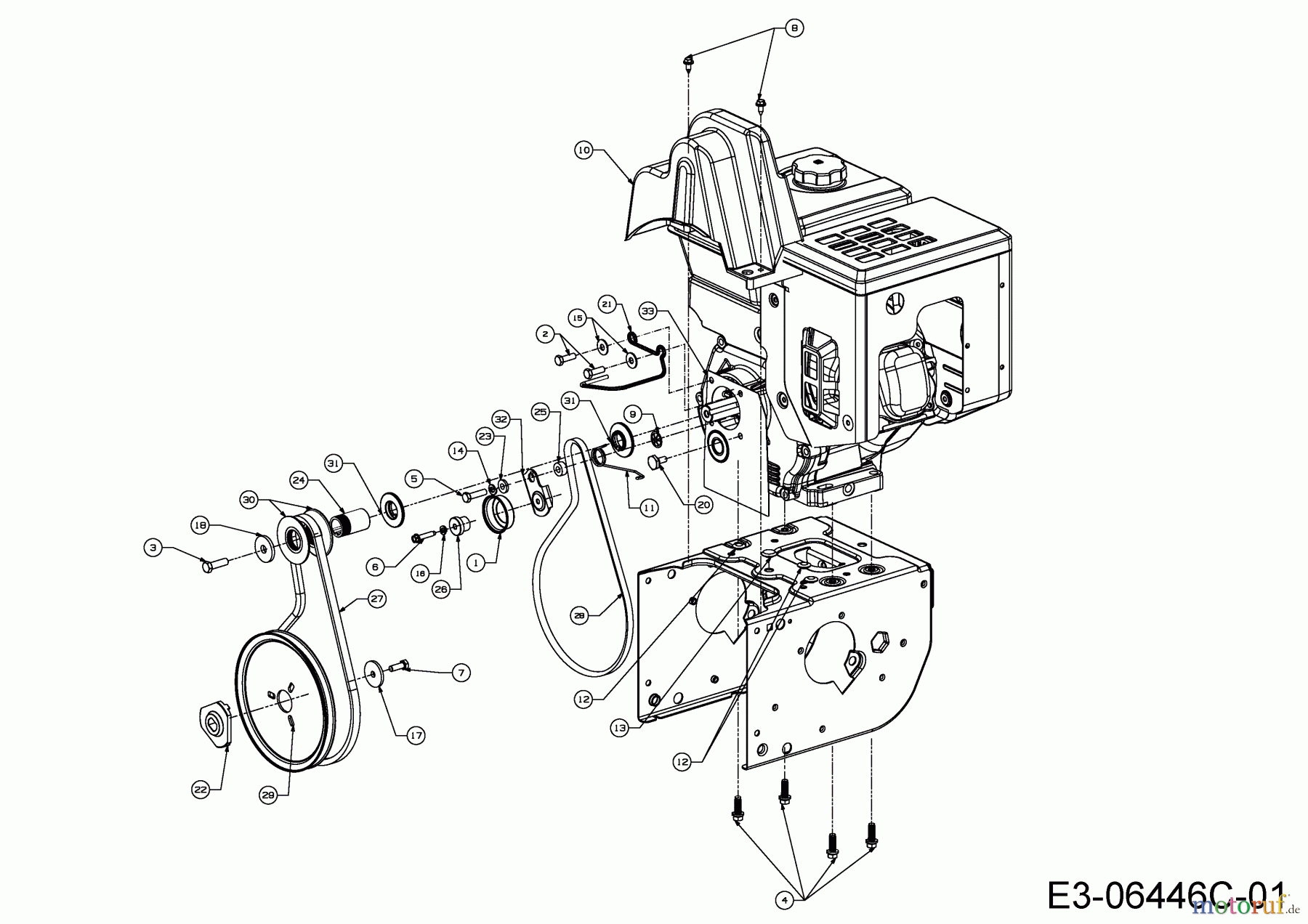
Hier finden Sie die Ersatzteilzeichnung für Wolf-Garten Schneefräsen Expert 7190 HD 31AY55SY650 (2016) Fahrantrieb, Fräsantrieb. Wählen Sie das benötigte Ersatzteil aus der Ersatzteilliste Ihres Wolf-Garten Gerätes aus und bestellen Sie einfach online. Viele Wolf-Garten Ersatzteile halten wir ständig in unserem Lager für Sie bereit.













