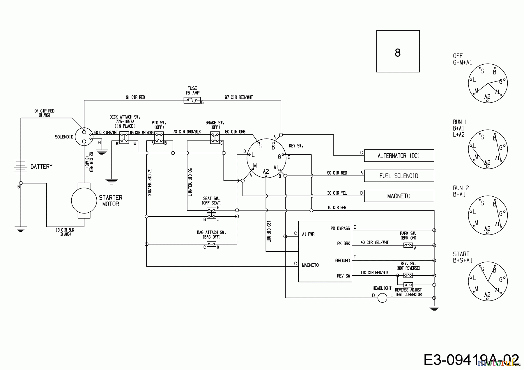
Wolf-Garten Scooter Pro Hydro 13A221HD650 (2016) Schaltplan Ersatzteile
Schaltplan 13A221HD650 (2016)

Hier finden Sie die Ersatzteilzeichnung für Wolf-Garten Rasentraktoren Scooter Pro Hydro 13A221HD650 (2016) Schaltplan. Wählen Sie das benötigte Ersatzteil aus der Ersatzteilliste Ihres Wolf-Garten Gerätes aus und bestellen Sie einfach online. Viele Wolf-Garten Ersatzteile halten wir ständig in unserem Lager für Sie bereit.
| BildNr | Artikel Nummer | Bezeichnung | |
| 1 | 725-06694 | KABELBAUM:MINI:HYDRO:RMC:BAG: | |


Qualitätsmanagement
Informieren Sie uns, wenn Sie einen Fehler gefunden haben.

