Wolf-Garten Scooter Pro 13A226ED650 (2012) Gaszug, Kraftstoffilter, Motorzubehör Ersatzteile
Gaszug, Kraftstoffilter, Motorzubehör 13A226ED650 (2012)

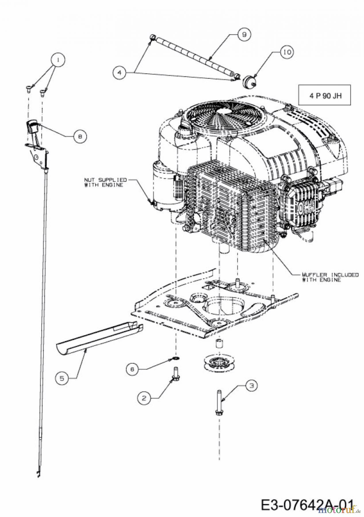
Hier finden Sie die Ersatzteilzeichnung für Wolf-Garten Rasentraktoren Scooter Pro 13A226ED650 (2012) Gaszug, Kraftstoffilter, Motorzubehör. Wählen Sie das benötigte Ersatzteil aus der Ersatzteilliste Ihres Wolf-Garten Gerätes aus und bestellen Sie einfach online. Viele Wolf-Garten Ersatzteile halten wir ständig in unserem Lager für Sie bereit.


Qualitätsmanagement
Informieren Sie uns, wenn Sie einen Fehler gefunden haben.




