Wolf-Garten Expert 92.220 H 13AF91WI650 (2014) Elektroteile Ersatzteile
Elektroteile 13AF91WI650 (2014)

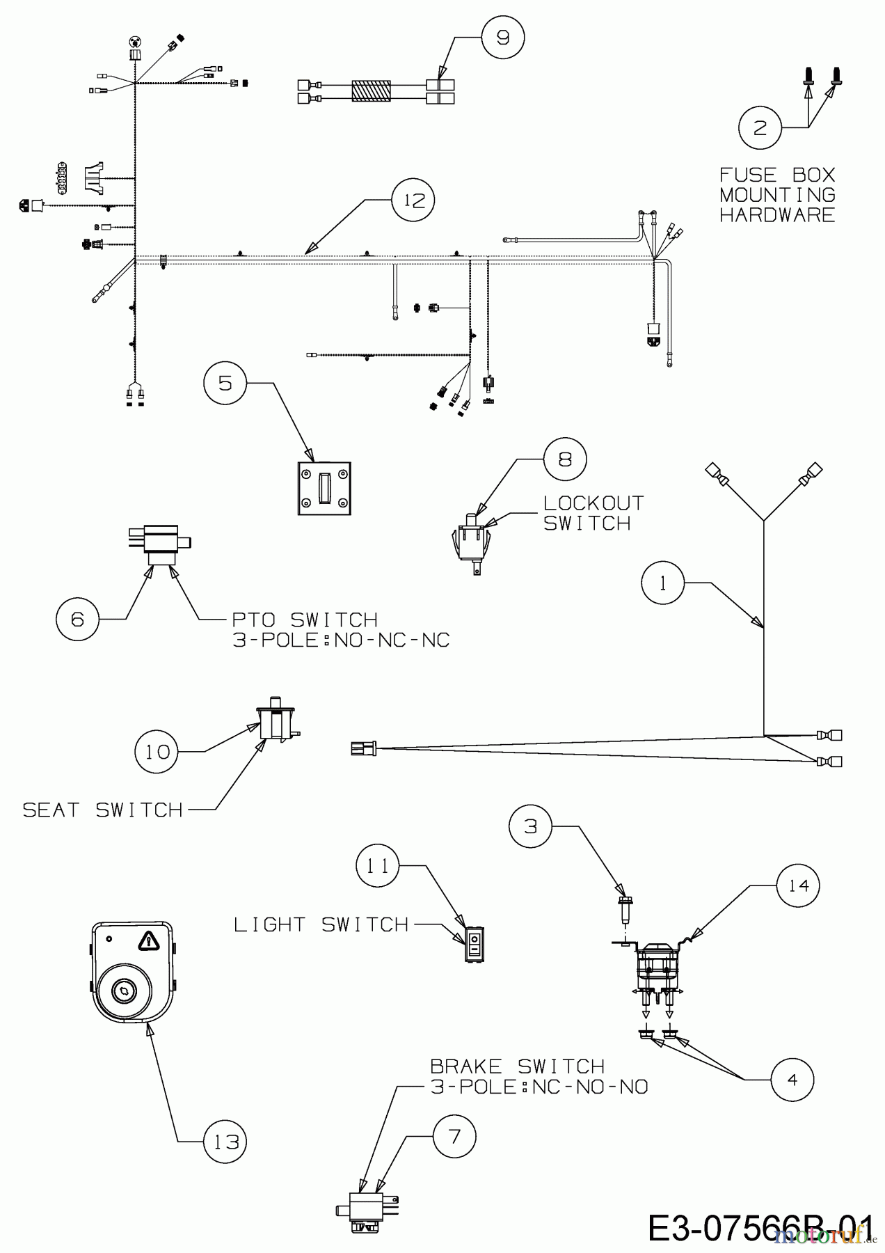
Hier finden Sie die Ersatzteilzeichnung für Wolf-Garten Rasentraktoren Expert 92.220 H 13AF91WI650 (2014) Elektroteile. Wählen Sie das benötigte Ersatzteil aus der Ersatzteilliste Ihres Wolf-Garten Gerätes aus und bestellen Sie einfach online. Viele Wolf-Garten Ersatzteile halten wir ständig in unserem Lager für Sie bereit.


Qualitätsmanagement
Informieren Sie uns, wenn Sie einen Fehler gefunden haben.





