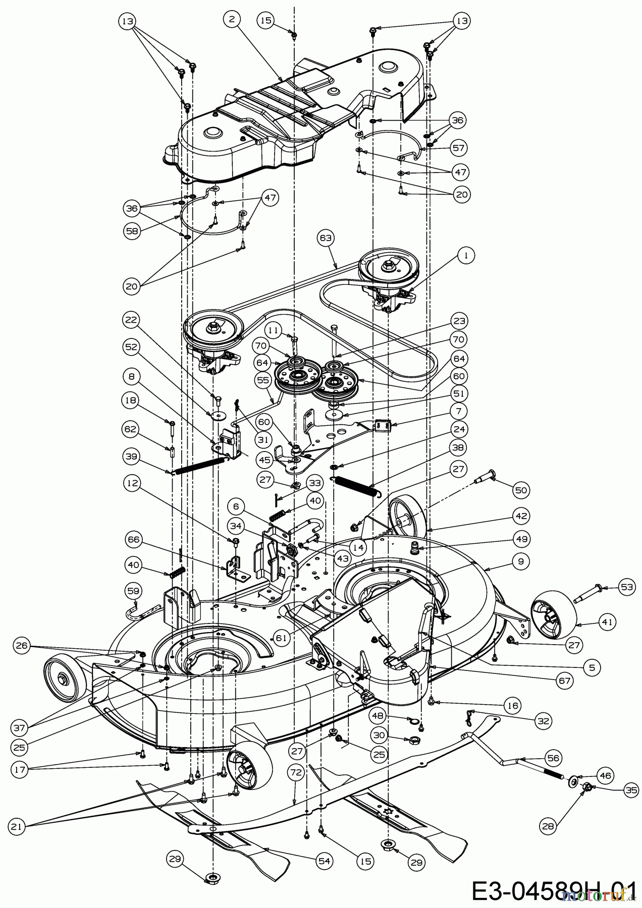
Wolf-Garten Expert 107.175 H 13HD93WG650 (2016) Mähwerk G (42"/107cm) Ersatzteile
Mähwerk G (42"/107cm) 13HD93WG650 (2016)

Hier finden Sie die Ersatzteilzeichnung für Wolf-Garten Rasentraktoren Expert 107.175 H 13HD93WG650 (2016) Mähwerk G (42"/107cm). Wählen Sie das benötigte Ersatzteil aus der Ersatzteilliste Ihres Wolf-Garten Gerätes aus und bestellen Sie einfach online. Viele Wolf-Garten Ersatzteile halten wir ständig in unserem Lager für Sie bereit.


Qualitätsmanagement
Informieren Sie uns, wenn Sie einen Fehler gefunden haben.













































