Wolf-Garten Expert 107.175 A 13BD90WG650 (2014) Schaltplan Ersatzteile
Schaltplan 13BD90WG650 (2014)

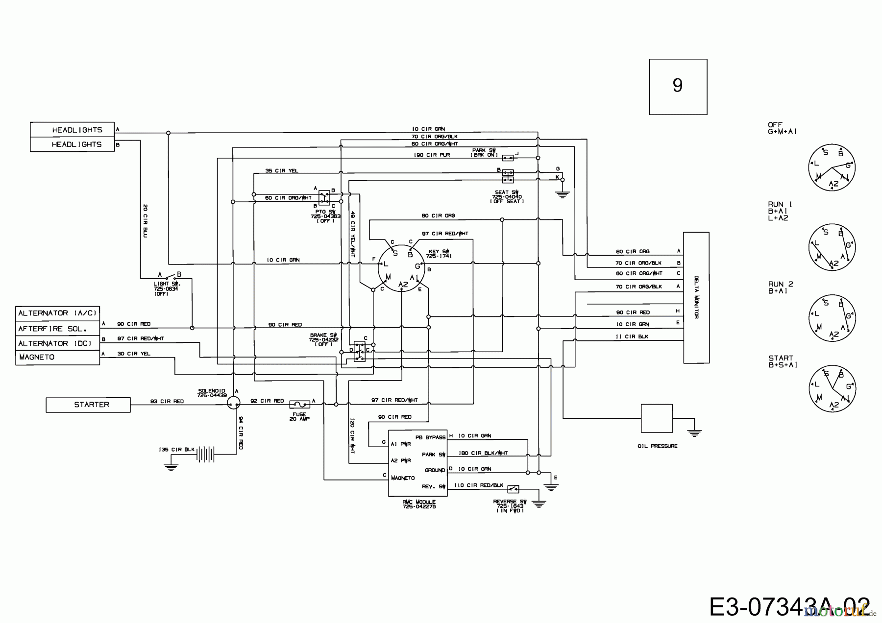
Hier finden Sie die Ersatzteilzeichnung für Wolf-Garten Rasentraktoren Expert 107.175 A 13BD90WG650 (2014) Schaltplan. Wählen Sie das benötigte Ersatzteil aus der Ersatzteilliste Ihres Wolf-Garten Gerätes aus und bestellen Sie einfach online. Viele Wolf-Garten Ersatzteile halten wir ständig in unserem Lager für Sie bereit.
| BildNr | Artikel Nummer | Bezeichnung | |
| 9 | 725-05369 | KABELBAUM:NX9:MPTO:RMC:HRMTR: | |


Qualitätsmanagement
Informieren Sie uns, wenn Sie einen Fehler gefunden haben.

