Wolf-Garten Expert 107.175 A 13BD90WG650 (2014) Fahrantrieb Ersatzteile
Fahrantrieb 13BD90WG650 (2014)

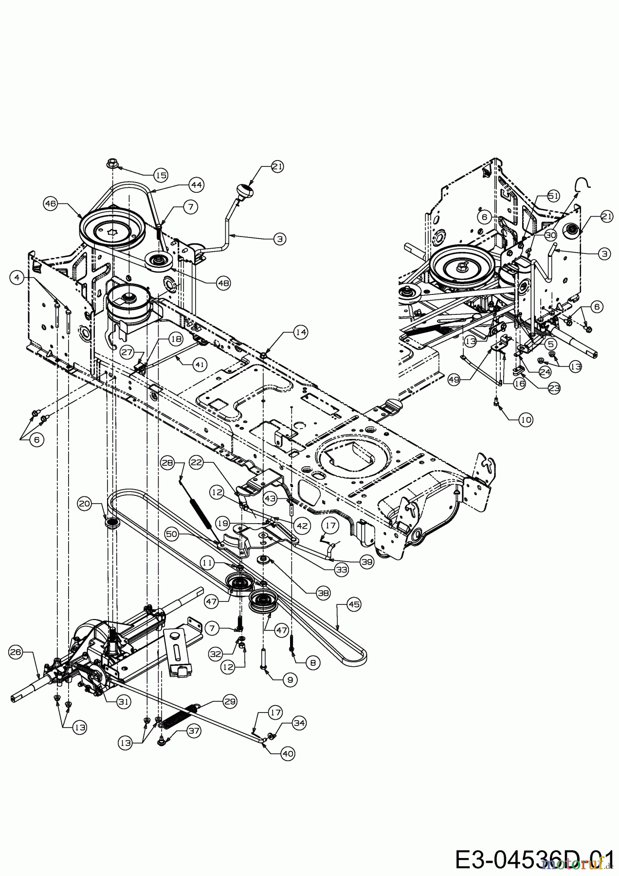
Hier finden Sie die Ersatzteilzeichnung für Wolf-Garten Rasentraktoren Expert 107.175 A 13BD90WG650 (2014) Fahrantrieb. Wählen Sie das benötigte Ersatzteil aus der Ersatzteilliste Ihres Wolf-Garten Gerätes aus und bestellen Sie einfach online. Viele Wolf-Garten Ersatzteile halten wir ständig in unserem Lager für Sie bereit.




























