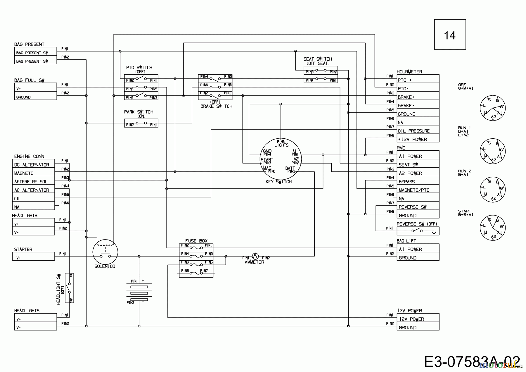
Wolf-Garten Expert 105.220 H 13AF91WN650 (2012) Schaltplan Ersatzteile
Schaltplan 13AF91WN650 (2012)

Hier finden Sie die Ersatzteilzeichnung für Wolf-Garten Rasentraktoren Expert 105.220 H 13AF91WN650 (2012) Schaltplan. Wählen Sie das benötigte Ersatzteil aus der Ersatzteilliste Ihres Wolf-Garten Gerätes aus und bestellen Sie einfach online. Viele Wolf-Garten Ersatzteile halten wir ständig in unserem Lager für Sie bereit.
| BildNr | Artikel Nummer | Bezeichnung | |
| 14 | 725-05352 | KABELBAUM:500NX:MAN:HR:AM:OCR: | |



