Wolf-Garten Expert 105.165 A 13HN90WN650 (2016) Mähwerkseinschaltung, Motorkeilriemenscheibe Ersatzteile
Mähwerkseinschaltung, Motorkeilriemenscheibe 13HN90WN650 (2016)

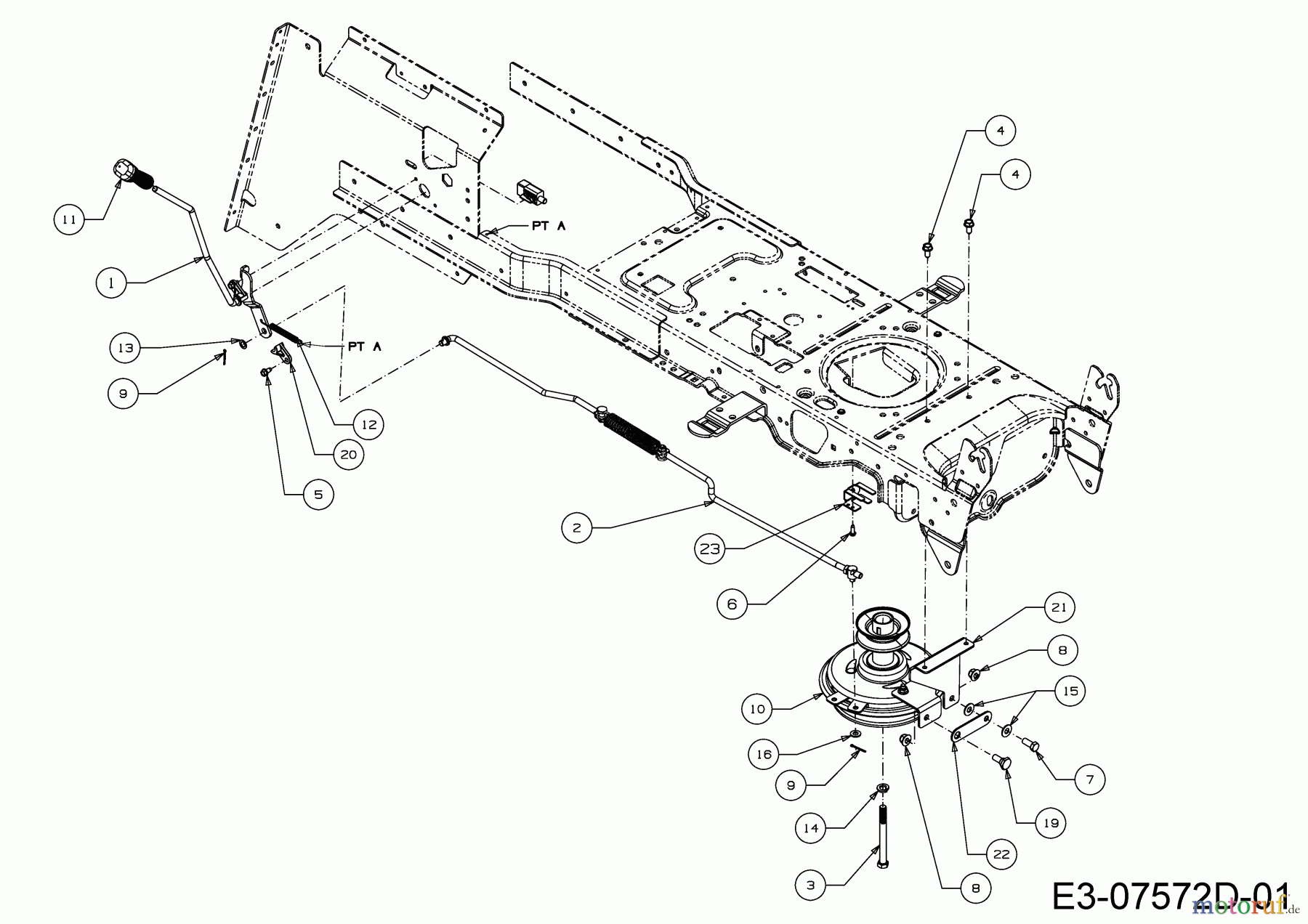
Hier finden Sie die Ersatzteilzeichnung für Wolf-Garten Rasentraktoren Expert 105.165 A 13HN90WN650 (2016) Mähwerkseinschaltung, Motorkeilriemenscheibe. Wählen Sie das benötigte Ersatzteil aus der Ersatzteilliste Ihres Wolf-Garten Gerätes aus und bestellen Sie einfach online. Viele Wolf-Garten Ersatzteile halten wir ständig in unserem Lager für Sie bereit.














