Wolf-Garten 106.230 H 13AQA1VR350 (2018) Fahrantrieb Ersatzteile
Fahrantrieb 13AQA1VR350 (2018)

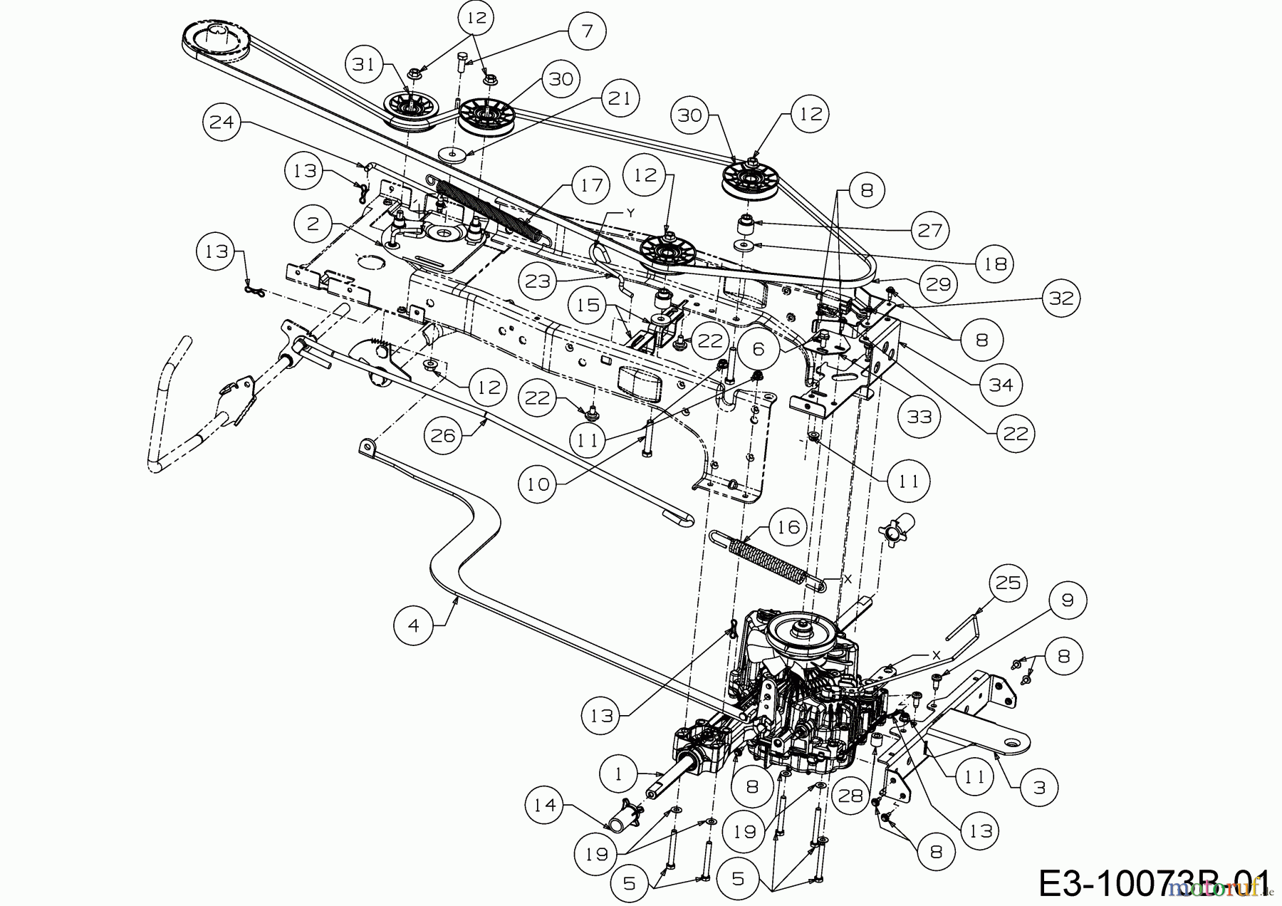
Hier finden Sie die Ersatzteilzeichnung für Wolf-Garten Rasentraktoren 106.230 H 13AQA1VR350 (2018) Fahrantrieb. Wählen Sie das benötigte Ersatzteil aus der Ersatzteilliste Ihres Wolf-Garten Gerätes aus und bestellen Sie einfach online. Viele Wolf-Garten Ersatzteile halten wir ständig in unserem Lager für Sie bereit.


Qualitätsmanagement
Informieren Sie uns, wenn Sie einen Fehler gefunden haben.








