Wolf-Garten 106.220 H 13CAA1VR650 (2020) Schaltplan Elektromagnetkupplung Ersatzteile
Schaltplan Elektromagnetkupplung 13CAA1VR650 (2020)

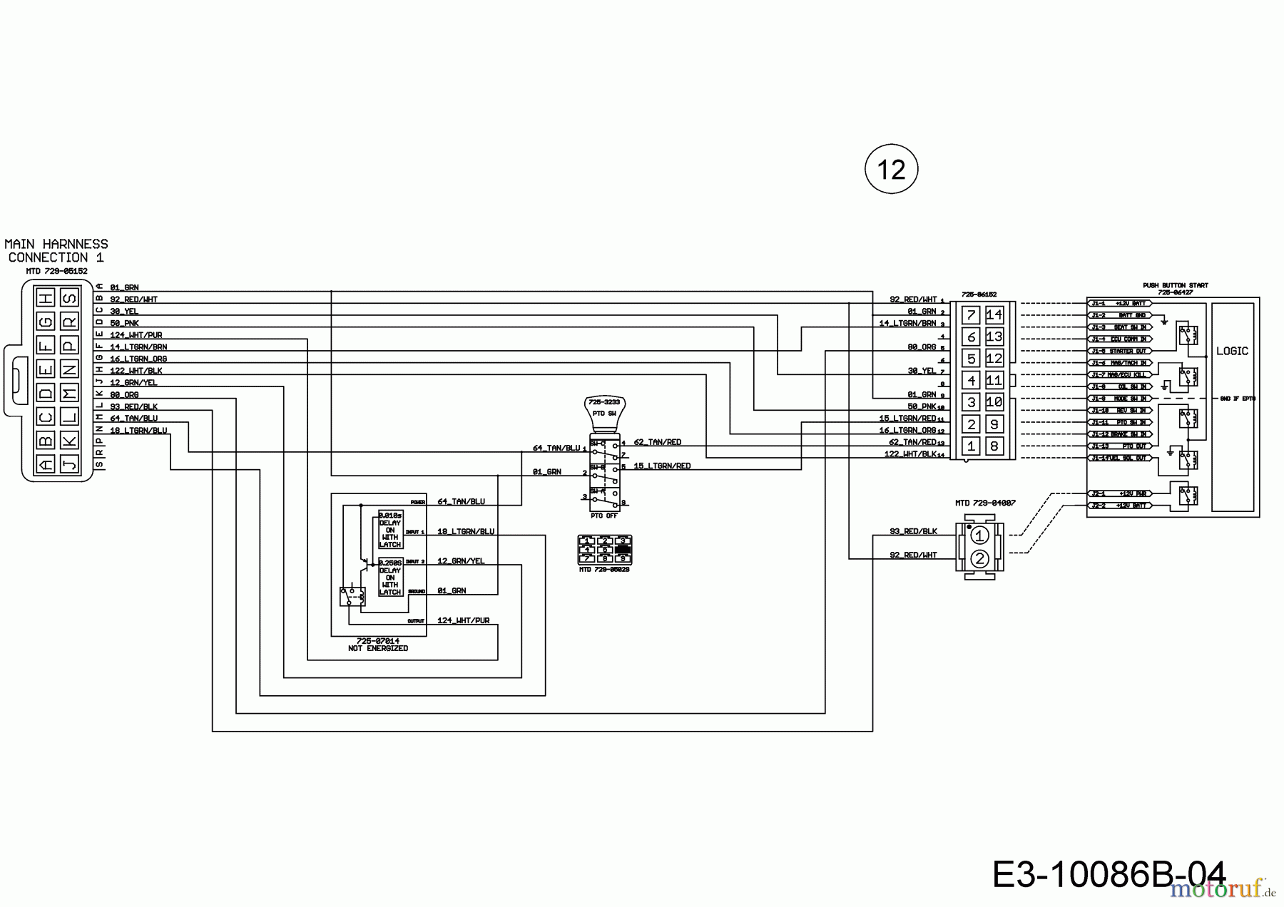
Hier finden Sie die Ersatzteilzeichnung für Wolf-Garten Rasentraktoren 106.220 H 13CAA1VR650 (2020) Schaltplan Elektromagnetkupplung. Wählen Sie das benötigte Ersatzteil aus der Ersatzteilliste Ihres Wolf-Garten Gerätes aus und bestellen Sie einfach online. Viele Wolf-Garten Ersatzteile halten wir ständig in unserem Lager für Sie bereit.
| BildNr | Artikel Nummer | Bezeichnung | |
| 12 | 725-06994 | KABELBAUM:NX15RD:EPTO:PBS:DLR: | |



