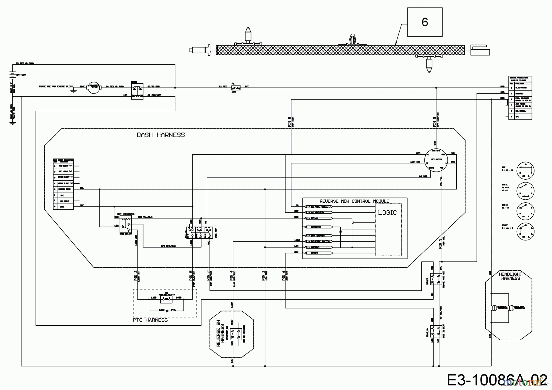
Wolf-Garten 106.220 H 13AAA1VR650 (2017) Schaltplan Elektromagnetkupplung Ersatzteile
Schaltplan Elektromagnetkupplung 13AAA1VR650 (2017)

Hier finden Sie die Ersatzteilzeichnung für Wolf-Garten Rasentraktoren 106.220 H 13AAA1VR650 (2017) Schaltplan Elektromagnetkupplung. Wählen Sie das benötigte Ersatzteil aus der Ersatzteilliste Ihres Wolf-Garten Gerätes aus und bestellen Sie einfach online. Viele Wolf-Garten Ersatzteile halten wir ständig in unserem Lager für Sie bereit.
| BildNr | Artikel Nummer | Bezeichnung | |
| 6 | 725-06173 | KABELBAUM (DRAHTBRÜCKE) EPTO | |



