Wolf-Garten Scooter Hydro 13B721SD650 (2020) Elektroteile Ersatzteile
Elektroteile 13B721SD650 (2020)

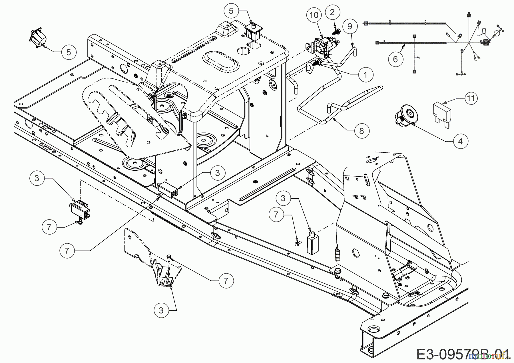
Hier finden Sie die Ersatzteilzeichnung für Wolf-Garten Rasentraktoren Scooter Hydro 13B721SD650 (2020) Elektroteile. Wählen Sie das benötigte Ersatzteil aus der Ersatzteilliste Ihres Wolf-Garten Gerätes aus und bestellen Sie einfach online. Viele Wolf-Garten Ersatzteile halten wir ständig in unserem Lager für Sie bereit.


Qualitätsmanagement
Informieren Sie uns, wenn Sie einen Fehler gefunden haben.








