Wolf-Garten SDE 2800 EVO 24BC7B1C650 (2020) Ersatzteile
24BC7B1C650 (2020) SDE 2800 EVO

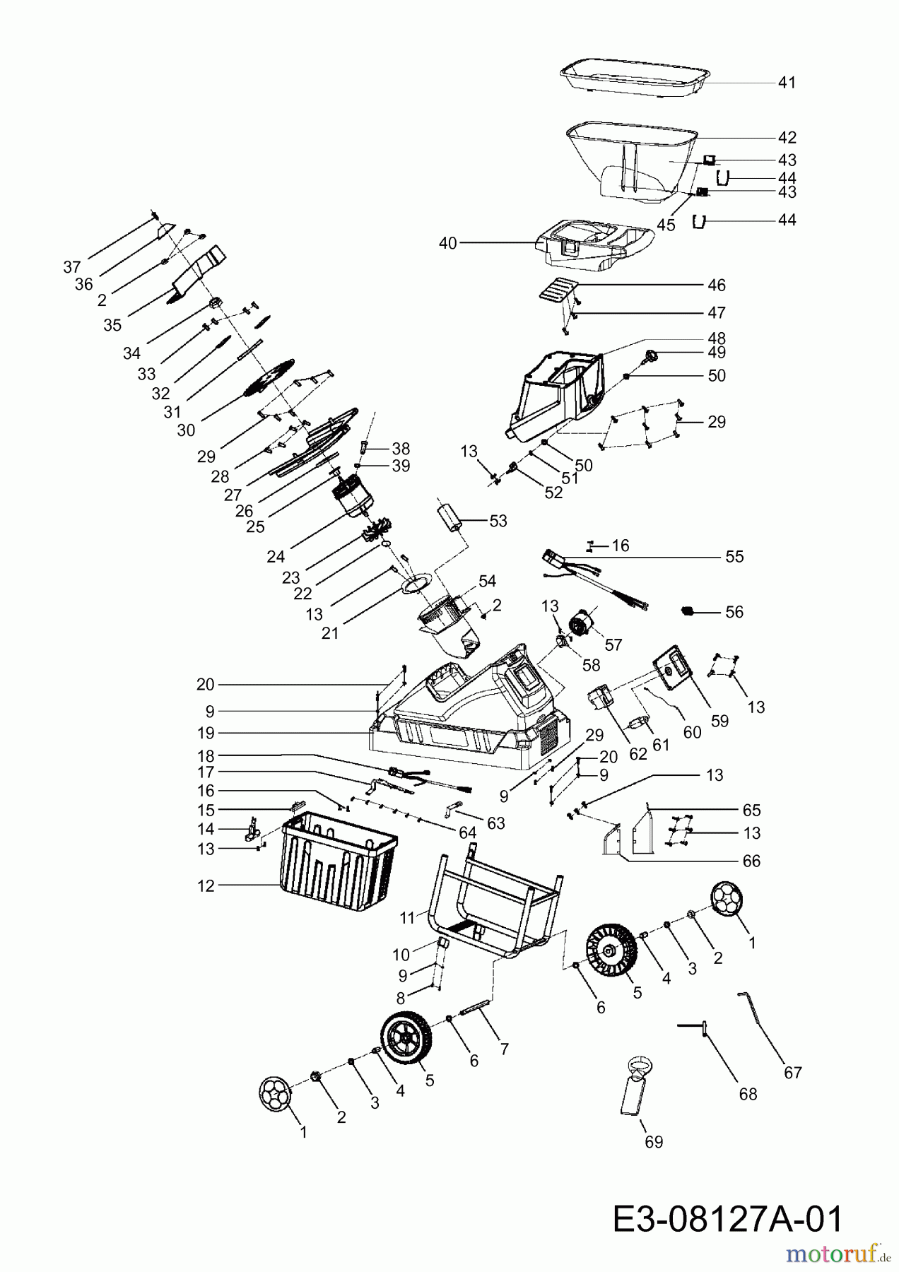
Hier finden Sie die Ersatzteilzeichnung für Wolf-Garten Häcksler SDE 2800 EVO 24BC7B1C650 (2020) Grundgerät. Wählen Sie das benötigte Ersatzteil aus der Ersatzteilliste Ihres Wolf-Garten Gerätes aus und bestellen Sie einfach online. Viele Wolf-Garten Ersatzteile halten wir ständig in unserem Lager für Sie bereit.
Häufig benötigte Wolf-Garten SDE 2800 EVO 24BC7B1C650 (2020) Ersatzteile

Artikelnummer: WL092.64.032
Suche nach: 092.64.032
Hersteller: Wolf
Wolf-Garten Ersatzteil 24BC7B1C650 (2020)
Suche nach: 092.64.032
Hersteller: Wolf
Wolf-Garten Ersatzteil 24BC7B1C650 (2020)
21.22 €
für EU incl. MwSt., zzgl. Versand


Qualitätsmanagement
Informieren Sie uns, wenn Sie einen Fehler gefunden haben.





