Wolf-Garten Expert 420 11C-LUSC650 (2020) Mähwerksgehäuse, Waschdüse Ersatzteile
Mähwerksgehäuse, Waschdüse 11C-LUSC650 (2020)

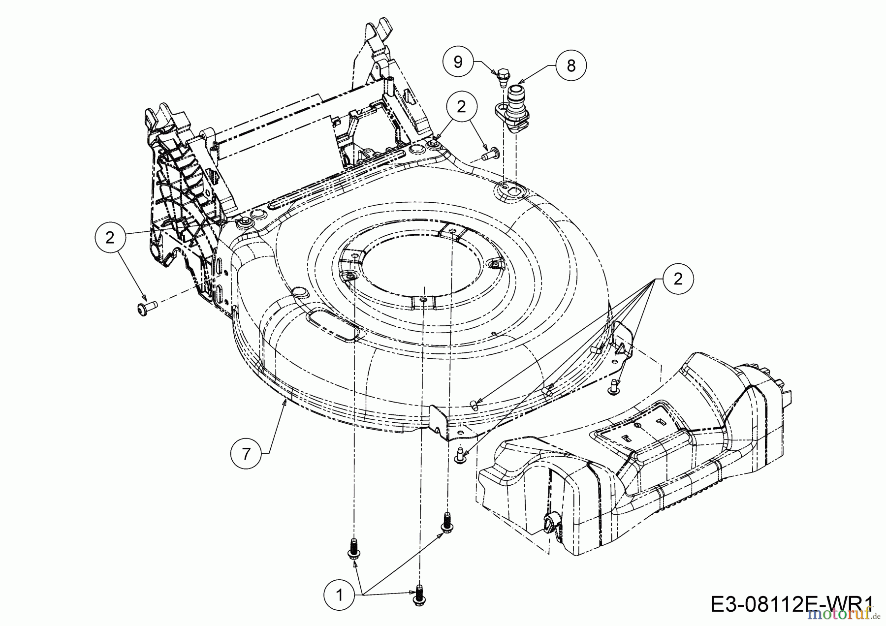
Hier finden Sie die Ersatzteilzeichnung für Wolf-Garten Motormäher Expert 420 11C-LUSC650 (2020) Mähwerksgehäuse, Waschdüse. Wählen Sie das benötigte Ersatzteil aus der Ersatzteilliste Ihres Wolf-Garten Gerätes aus und bestellen Sie einfach online. Viele Wolf-Garten Ersatzteile halten wir ständig in unserem Lager für Sie bereit.


Qualitätsmanagement
Informieren Sie uns, wenn Sie einen Fehler gefunden haben.




