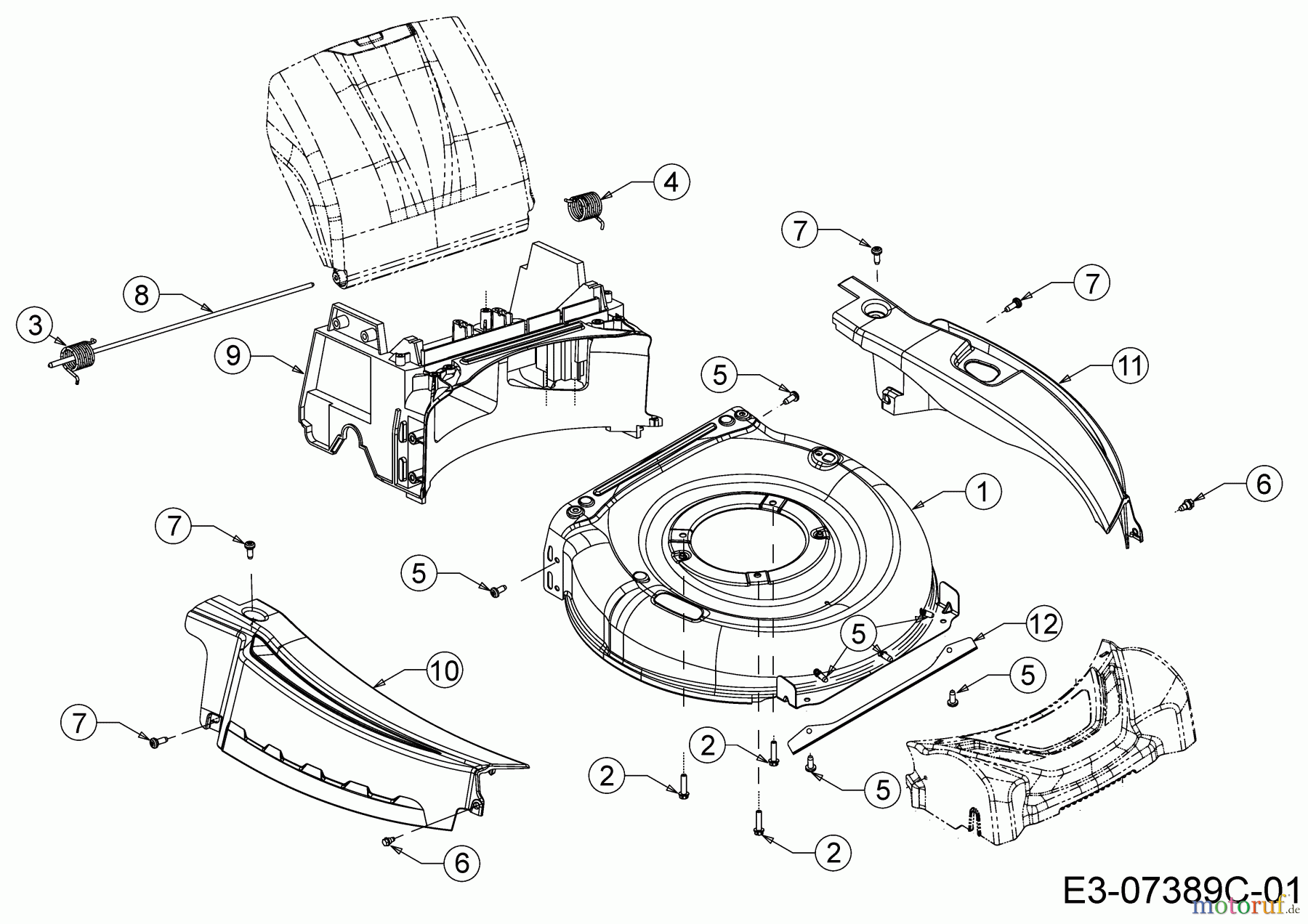
Wolf-Garten Expert 53 BA V IS 12BGQ56J650 (2017) Leitstück hinten, Mähwerksgehäuse, Stange Heckklappe, Verkleidungen Ersatzteile
Leitstück hinten, Mähwerksgehäuse, Stange Heckklappe, Verkleidungen 12BGQ56J650 (2017)

Hier finden Sie die Ersatzteilzeichnung für Wolf-Garten Motormäher mit Antrieb Expert 53 BA V IS 12BGQ56J650 (2017) Leitstück hinten, Mähwerksgehäuse, Stange Heckklappe, Verkleidungen. Wählen Sie das benötigte Ersatzteil aus der Ersatzteilliste Ihres Wolf-Garten Gerätes aus und bestellen Sie einfach online. Viele Wolf-Garten Ersatzteile halten wir ständig in unserem Lager für Sie bereit.


Qualitätsmanagement
Informieren Sie uns, wenn Sie einen Fehler gefunden haben.



