Wolf-Garten Expert 53 BA 12A-Q56K650 (2013) Holm, bis 19.03.2013 Ersatzteile
Holm, bis 19.03.2013 12A-Q56K650 (2013)

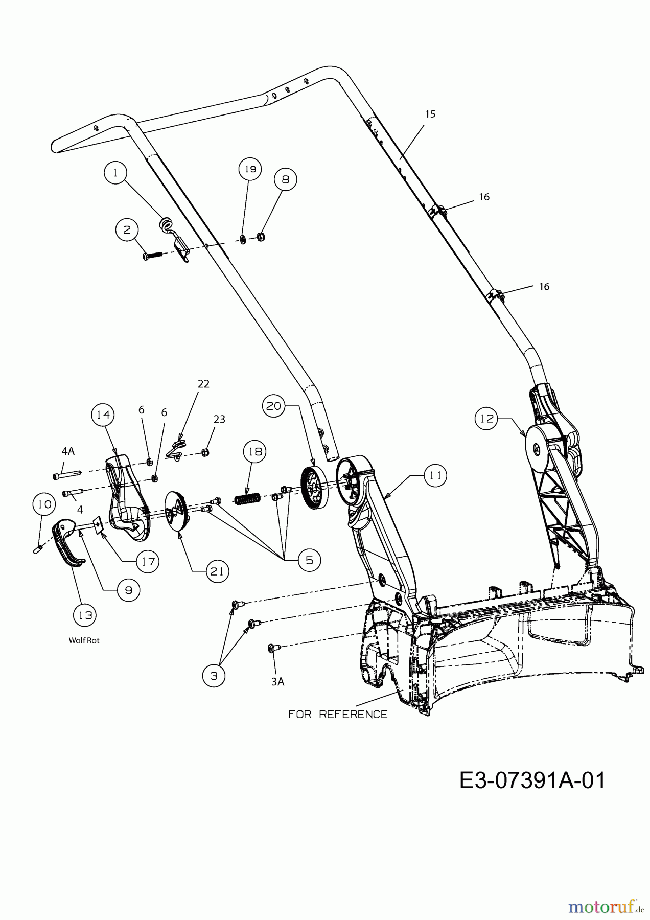
Hier finden Sie die Ersatzteilzeichnung für Wolf-Garten Motormäher mit Antrieb Expert 53 BA 12A-Q56K650 (2013) Holm, bis 19.03.2013. Wählen Sie das benötigte Ersatzteil aus der Ersatzteilliste Ihres Wolf-Garten Gerätes aus und bestellen Sie einfach online. Viele Wolf-Garten Ersatzteile halten wir ständig in unserem Lager für Sie bereit.


Qualitätsmanagement
Informieren Sie uns, wenn Sie einen Fehler gefunden haben.





