Ryobi Benzin RLM5319SMEB Kurbelgehäuse Ersatzteile
Kurbelgehäuse RLM5319SMEB

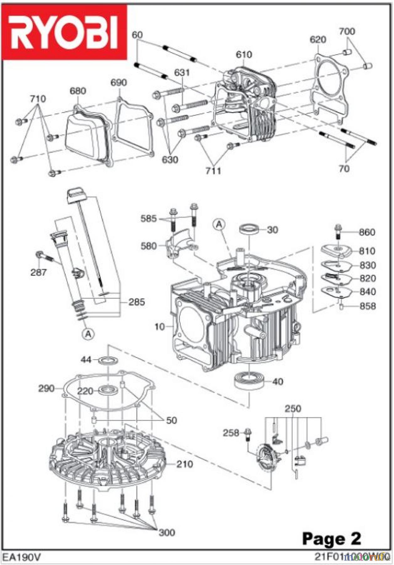
Hier finden Sie die Ersatzteilzeichnung für Ryobi Rasenmäher Benzin RLM5319SMEB Kurbelgehäuse. Wählen Sie das benötigte Ersatzteil aus der Ersatzteilliste Ihres Ryobi Gerätes aus und bestellen Sie einfach online. Viele Ryobi Ersatzteile halten wir ständig in unserem Lager für Sie bereit.
| BildNr | Artikel Nummer | Bezeichnung | |
| 010 | 5131027811 | CRANKCASE | |
| 030 | 5131027812 | SEAL | |
| 040 | 5131027813 | BALL BEARING | |
| 044 | 5131027814 | WASHER | |
| 050 | 5131027815 | PIN | |
| 060 | 5131027816 | STUD | |
| 070 | 5131027817 | STUD | |
| 210 | 5131027818 | CRANKCASE | |
| 220 | 5131027819 | SEAL | |
| 250 | 5131027820 | GEAR | |
| 285 | 5131027822 | GAUGE | |
| 287 | 5131027821 | BOLT | |
| 290 | 5131027824 | GASKET | |
| 300 | 5131027823 | BOLT | |
| 580 | 5131027825 | BOLT | |
| 585 | 5131027826 | DEFLECTOR | |
| 610 | 5131027828 | CRANKCASE | |
| 620 | 5131027829 | GASKET | |
| 630 | 5131027830 | BOLT | |
| 631 | 5131027831 | BOLT | |
| 680 | 5131027832 | COVER | |
| 690 | 5131027833 | GASKET | |
| 700 | 5131027834 | PIN | |
| 710 | 5131027834 | PIN | |
| 711 | 5131027836 | BOLT | |
| 810 | 5131027837 | COVER | |
| 820 | 5131027838 | GASKET | |
| 830 | 5131027839 | GASKET | |
| 840 | 5131027840 | GASKET | |
| 858 | 5131027841 | PIN | |
| 860 | 5131027842 | BOLT | |



