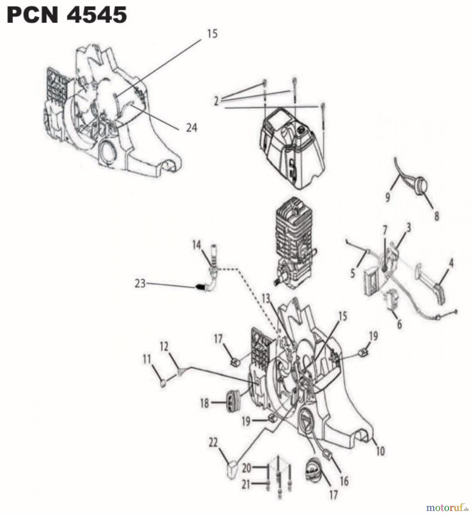
Ryobi Benzin PCN4545 Gehäuse, Tank Ersatzteile
Gehäuse, Tank PCN4545

Hier finden Sie die Ersatzteilzeichnung für Ryobi Kettensägen Benzin PCN4545 Gehäuse, Tank. Wählen Sie das benötigte Ersatzteil aus der Ersatzteilliste Ihres Ryobi Gerätes aus und bestellen Sie einfach online. Viele Ryobi Ersatzteile halten wir ständig in unserem Lager für Sie bereit.
| BildNr | Artikel Nummer | Bezeichnung | |
| 002 | 5131001004 | Schraube 10-16x1.5 | |
| 004 | 5131000704 | Chokehebel | |
| 005 | 5131001191 | Gaszug | |
| 006 | 5131001150 | Schalter | |
| 007 | 5131000770 | Dichtung | |
| 008 | ![]()  | 5131000626 | Primer Ansaugpumpe | 
| 009 | 5131017441 | Schlauch | |
| 010 | 5131000556 | Gehaeuse | |
| 011 | 5131001033 | Filter | |
| 012 | 5131000760 | Stopfen | |
| 013 | 5131000769 | Gummifuehrung | |
| 014 | ![]()  | 5131000768 | Oelschlauch | 
| 015 | 5131000775 | Schlauch | |
| 016 | 5131000544 | Filter | |
| 017 | 5131000553 | Tankdeckel Benzin | |
| 018 | 5131000554 | Tankdeckel Öl | |
| 019 | 5131001004 | Schraube 10-16x1.5 | |
| 020 | 5131000992 | Schraube | |
| 021 | 5131001029 | Unterlegscheibe | |
| 022 | ![]()  | 5131001182 | Filterschwamm | 
| 023 | 5131001036 | Kegelfeder | |
| 024 | 5131000774 | Schlauch | |






