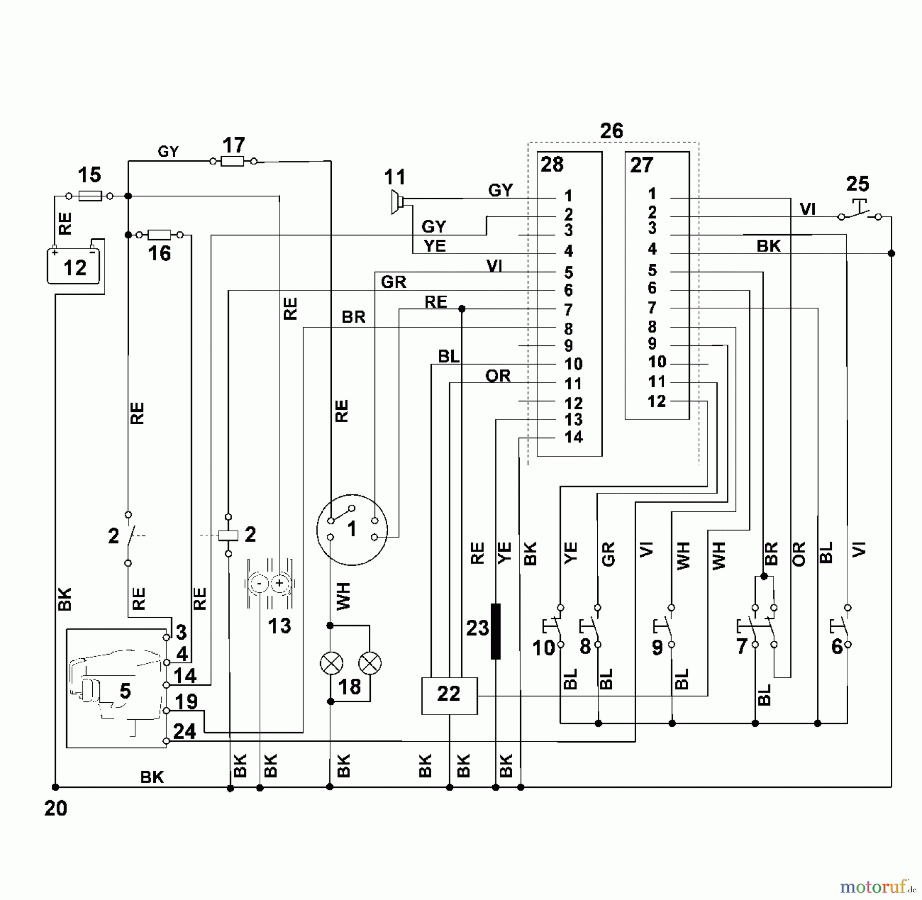
Viking Rasentraktoren MT 6112.0 S - Schaltplan Ersatzteile
S - Schaltplan MT 6112.0
Unser Tipp!
Baugleiche Geräte anderer Hersteller ermitteln
Viking Traktoren wurden oft von Fremdfirmen hergestellt. Von Viking nicht mehr lieferbare Artikel sind daher oft noch über den Hersteller erhältlich.
Wenn Sie bei einem Artikel keinen Angabe zum Preis finden, starten Sie eine kostenlose Rechercheanfrage an unsere Experten. Gerne können Sie uns auch einfach eine E-Mail senden.

Hier finden Sie die Ersatzteilzeichnung für Viking Rasentraktoren Rasentraktoren MT 6112.0 S - Schaltplan. Wählen Sie das benötigte Ersatzteil aus der Ersatzteilliste Ihres Viking Gerätes aus und bestellen Sie einfach online. Viele Viking Ersatzteile halten wir ständig in unserem Lager für Sie bereit.


Qualitätsmanagement
Informieren Sie uns, wenn Sie einen Fehler gefunden haben.

