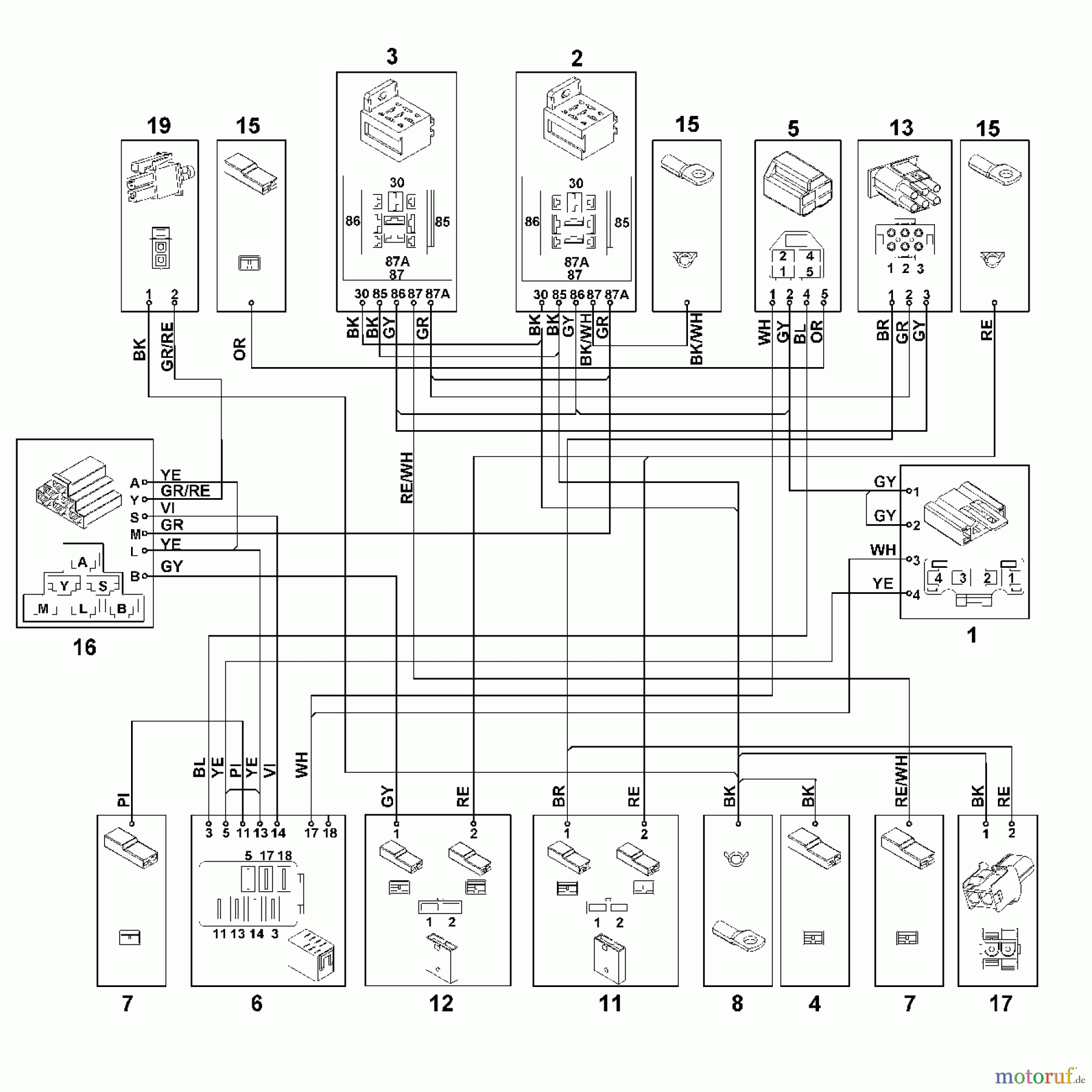
Viking Rasentraktoren MT 4097.0 SX O - Kontaktplan Ersatzteile
O - Kontaktplan MT 4097.0 SX
Unser Tipp!
Baugleiche Geräte anderer Hersteller ermitteln
Viking Traktoren wurden oft von Fremdfirmen hergestellt. Von Viking nicht mehr lieferbare Artikel sind daher oft noch über den Hersteller erhältlich.
Wenn Sie bei einem Artikel keinen Angabe zum Preis finden, starten Sie eine kostenlose Rechercheanfrage an unsere Experten. Gerne können Sie uns auch einfach eine E-Mail senden.

Hier finden Sie die Ersatzteilzeichnung für Viking Rasentraktoren Rasentraktoren MT 4097.0 SX O - Kontaktplan. Wählen Sie das benötigte Ersatzteil aus der Ersatzteilliste Ihres Viking Gerätes aus und bestellen Sie einfach online. Viele Viking Ersatzteile halten wir ständig in unserem Lager für Sie bereit.
| BildNr | Artikel Nummer | Bezeichnung | |
| 1 | Schalter Sitz | ||
| 2 | Relais 1 | ||
| 3 | Relais 2 | ||
| 4 | Masse Schlüsselschalter | ||
| 5 | Schalter Bremse | ||
| 6 | Schalter Messerkupplung | ||
| 7 | Messerkupplung | ||
| 8 | Masse Rahmen | ||
| 11 | Sicherung 10A | ||
| 12 | Sicherung 10A | ||
| 13 | Motor | ||
| 15 | Anlasser-Relais | ||
| 16 | Schlüsselschalter | ||
| 17 | Ladebuchse | ||
| 19 | Stecker (Kabelbaum Licht) | ||



