Viking KOHLER XT - 675 (XT 675 - 2019) G - Vergaser, Kraftstoffleitung Ersatzteile
G - Vergaser, Kraftstoffleitung XT - 675 (XT 675 - 2019)

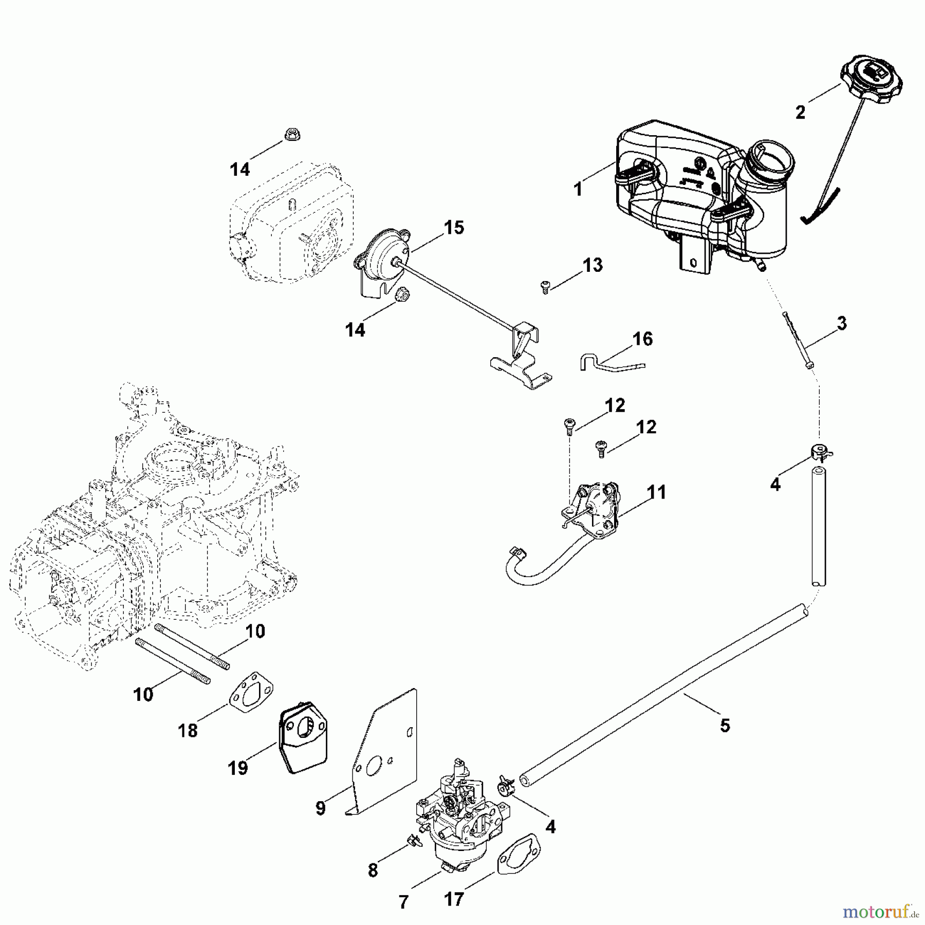
Hier finden Sie die Ersatzteilzeichnung für Viking Motoren KOHLER XT - 675 (XT 675 - 2019) G - Vergaser, Kraftstoffleitung. Wählen Sie das benötigte Ersatzteil aus der Ersatzteilliste Ihres Viking Gerätes aus und bestellen Sie einfach online. Viele Viking Ersatzteile halten wir ständig in unserem Lager für Sie bereit.



