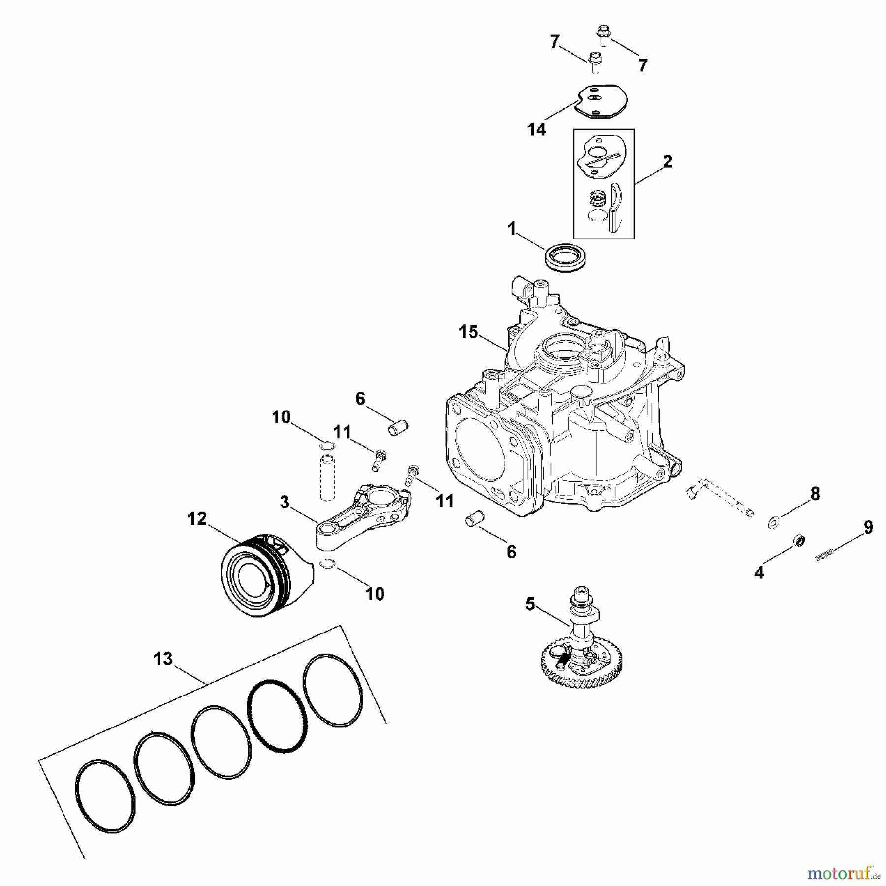
Viking KOHLER XT - 800 (XT800 - 2052) C - Nockenwelle Ersatzteile
C - Nockenwelle XT - 800 (XT800 - 2052)

Hier finden Sie die Ersatzteilzeichnung für Viking Motoren KOHLER XT - 800 (XT800 - 2052) C - Nockenwelle. Wählen Sie das benötigte Ersatzteil aus der Ersatzteilliste Ihres Viking Gerätes aus und bestellen Sie einfach online. Viele Viking Ersatzteile halten wir ständig in unserem Lager für Sie bereit.


Qualitätsmanagement
Informieren Sie uns, wenn Sie einen Fehler gefunden haben.

