Viking Heckenscheren Elektro HE 400, HE 450 D - Schaltplan Ersatzteile
D - Schaltplan HE 400, HE 450

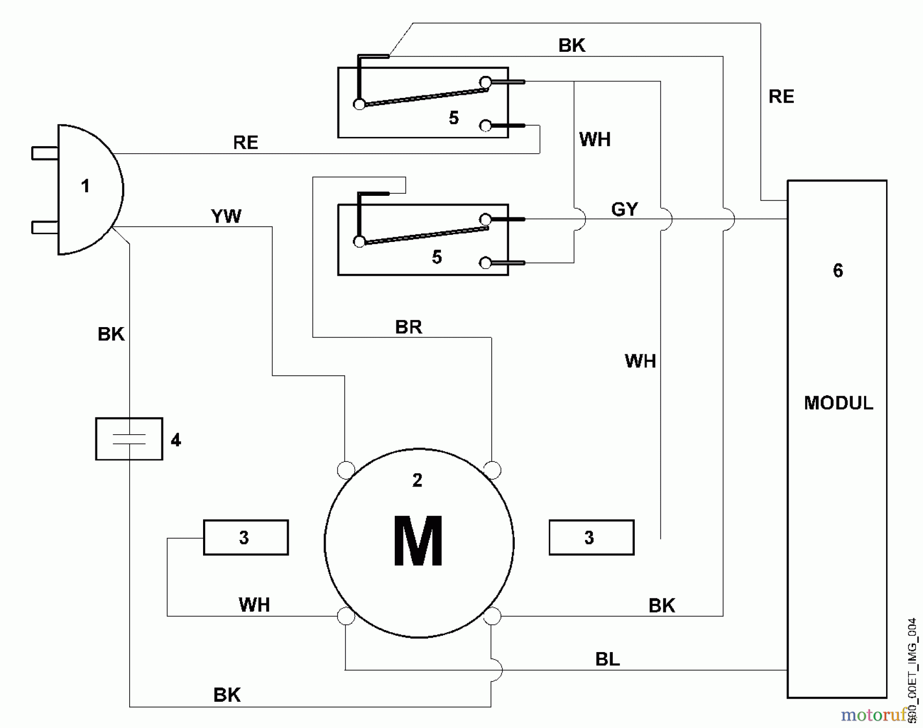
Hier finden Sie die Ersatzteilzeichnung für Viking Handgeführte Elektrogeräte Heckenscheren Elektro HE 400, HE 450 D - Schaltplan. Wählen Sie das benötigte Ersatzteil aus der Ersatzteilliste Ihres Viking Gerätes aus und bestellen Sie einfach online. Viele Viking Ersatzteile halten wir ständig in unserem Lager für Sie bereit.
| BildNr | Artikel Nummer | Bezeichnung | |
| 1 | Netzstecker | ||
| 2 | Elektromotor | ||
| 3 | Kohlebürste | ||
| 4 | Kondensator | ||
| 5 | Schalter | ||
| 6 | Bremsmodul | ||


Qualitätsmanagement
Informieren Sie uns, wenn Sie einen Fehler gefunden haben.

