Viking Rasentrimmer TE 600, TE 700, TE 1000 E - Schaltplan TE 700 Ersatzteile
E - Schaltplan TE 700 TE 600, TE 700, TE 1000

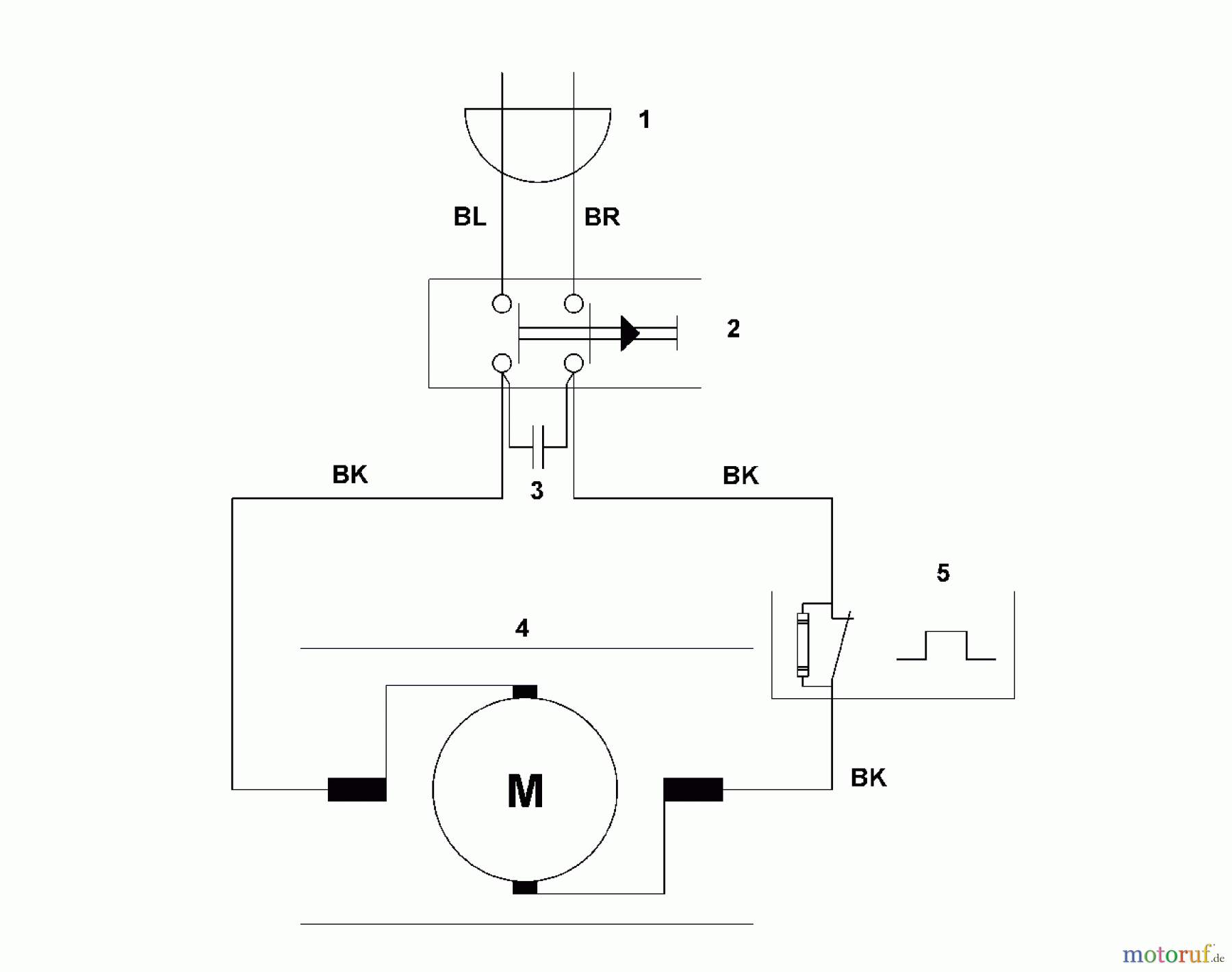
Hier finden Sie die Ersatzteilzeichnung für Viking Handgeführte Elektrogeräte Rasentrimmer TE 600, TE 700, TE 1000 E - Schaltplan TE 700. Wählen Sie das benötigte Ersatzteil aus der Ersatzteilliste Ihres Viking Gerätes aus und bestellen Sie einfach online. Viele Viking Ersatzteile halten wir ständig in unserem Lager für Sie bereit.
| BildNr | Artikel Nummer | Bezeichnung | |
| 1 | Netzstecker | ||
| 2 | Schalter | ||
| 3 | Kondensator | ||
| 4 | Elektromotor | ||
| 5 | Temperaturschalter | ||


Qualitätsmanagement
Informieren Sie uns, wenn Sie einen Fehler gefunden haben.

