Viking Zapfwellenantrieb AZ 4000 S C - Fahrwerk Ersatzteile
C - Fahrwerk AZ 4000 S

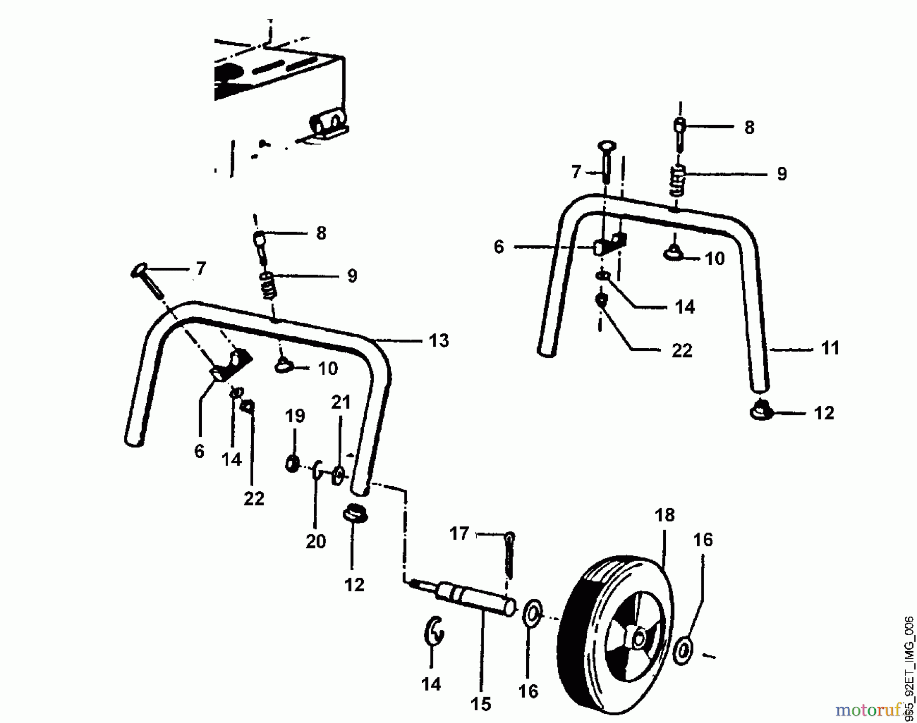
Hier finden Sie die Ersatzteilzeichnung für Viking Häcksler Zapfwellenantrieb AZ 4000 S C - Fahrwerk. Wählen Sie das benötigte Ersatzteil aus der Ersatzteilliste Ihres Viking Gerätes aus und bestellen Sie einfach online. Viele Viking Ersatzteile halten wir ständig in unserem Lager für Sie bereit.


Qualitätsmanagement
Informieren Sie uns, wenn Sie einen Fehler gefunden haben.



