Viking Elektro GE 22 L, GE 25 L C - Schaltplan Ersatzteile
C - Schaltplan GE 22 L, GE 25 L

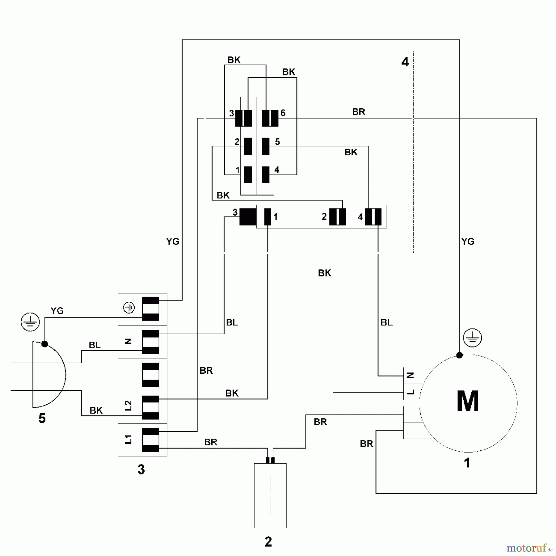
Hier finden Sie die Ersatzteilzeichnung für Viking Häcksler Elektro GE 22 L, GE 25 L C - Schaltplan. Wählen Sie das benötigte Ersatzteil aus der Ersatzteilliste Ihres Viking Gerätes aus und bestellen Sie einfach online. Viele Viking Ersatzteile halten wir ständig in unserem Lager für Sie bereit.
| BildNr | Artikel Nummer | Bezeichnung | |
| 1 | Elektromotor | ||
| 2 | Kondensator | ||
| 3 | Kontaktträger | ||
| 4 | Schalter | ||
| 5 | Netzanschluss | ||


Qualitätsmanagement
Informieren Sie uns, wenn Sie einen Fehler gefunden haben.

