Viking Elektro AD 4064 S B - Gehäuse Ersatzteile
B - Gehäuse AD 4064 S

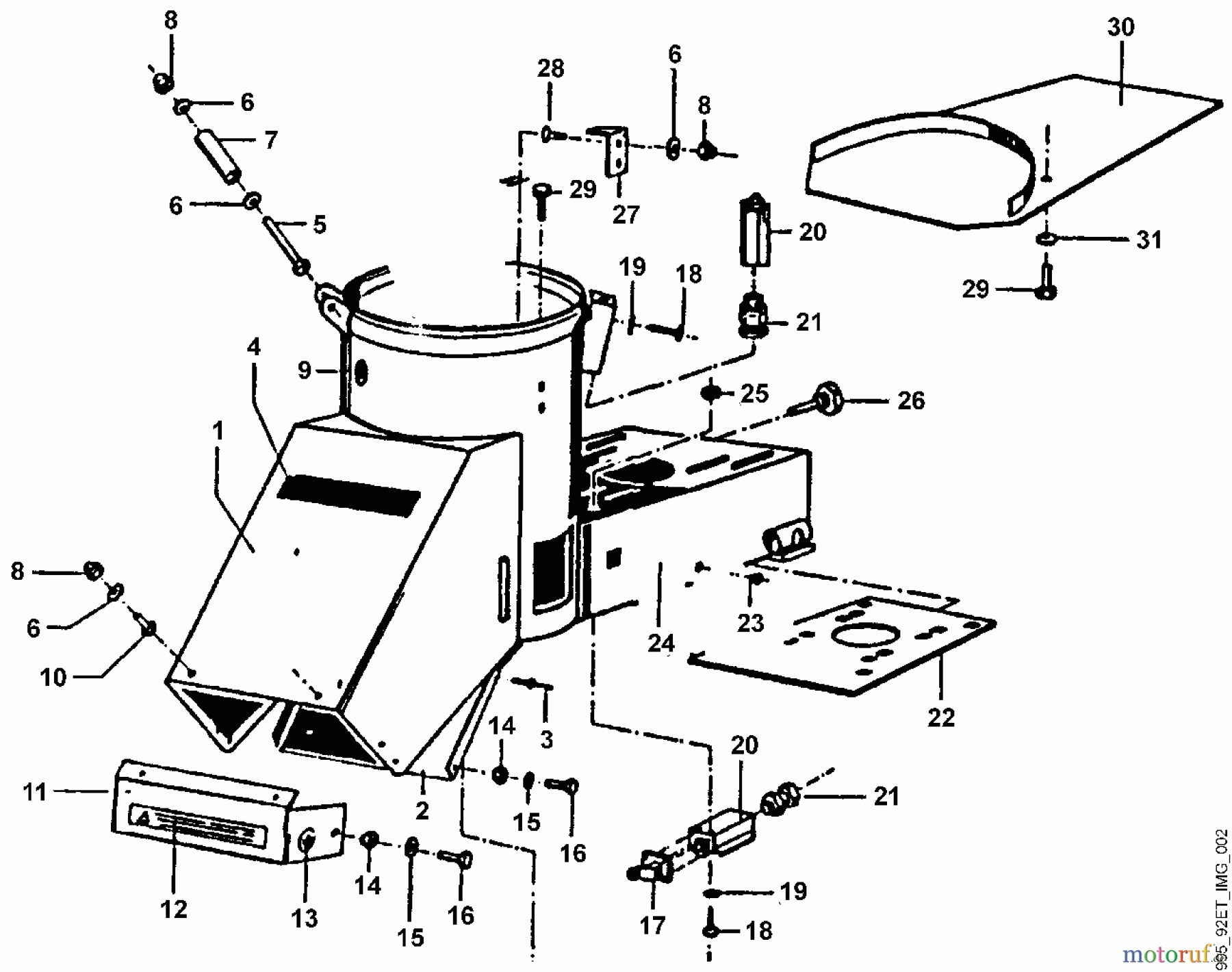
Hier finden Sie die Ersatzteilzeichnung für Viking Häcksler Elektro AD 4064 S B - Gehäuse. Wählen Sie das benötigte Ersatzteil aus der Ersatzteilliste Ihres Viking Gerätes aus und bestellen Sie einfach online. Viele Viking Ersatzteile halten wir ständig in unserem Lager für Sie bereit.


Qualitätsmanagement
Informieren Sie uns, wenn Sie einen Fehler gefunden haben.






