Viking Benzinrasenmäher MB 750.1 GK C - Rahmen, Höhenverstellung Ersatzteile
C - Rahmen, Höhenverstellung MB 750.1 GK

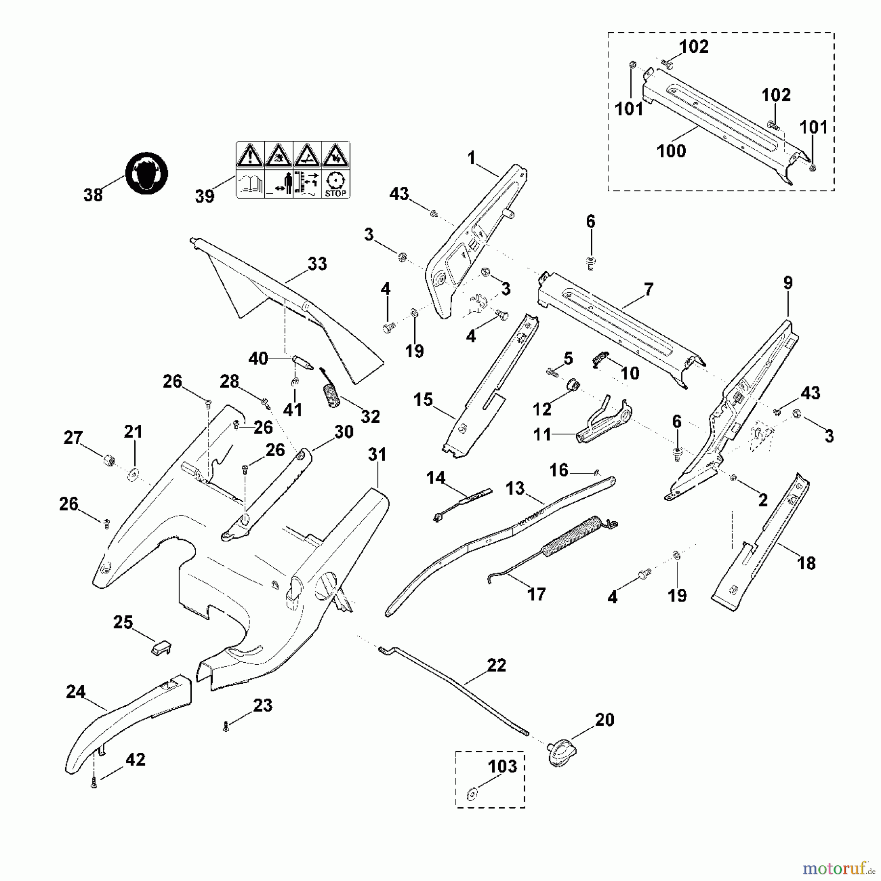
Hier finden Sie die Ersatzteilzeichnung für Viking Rasenmäher Benzinrasenmäher MB 750.1 GK C - Rahmen, Höhenverstellung. Wählen Sie das benötigte Ersatzteil aus der Ersatzteilliste Ihres Viking Gerätes aus und bestellen Sie einfach online. Viele Viking Ersatzteile halten wir ständig in unserem Lager für Sie bereit.


Qualitätsmanagement
Informieren Sie uns, wenn Sie einen Fehler gefunden haben.








