Viking Benzinrasenmäher MB 455 BC C - Fahrwerk Ersatzteile
C - Fahrwerk MB 455 BC

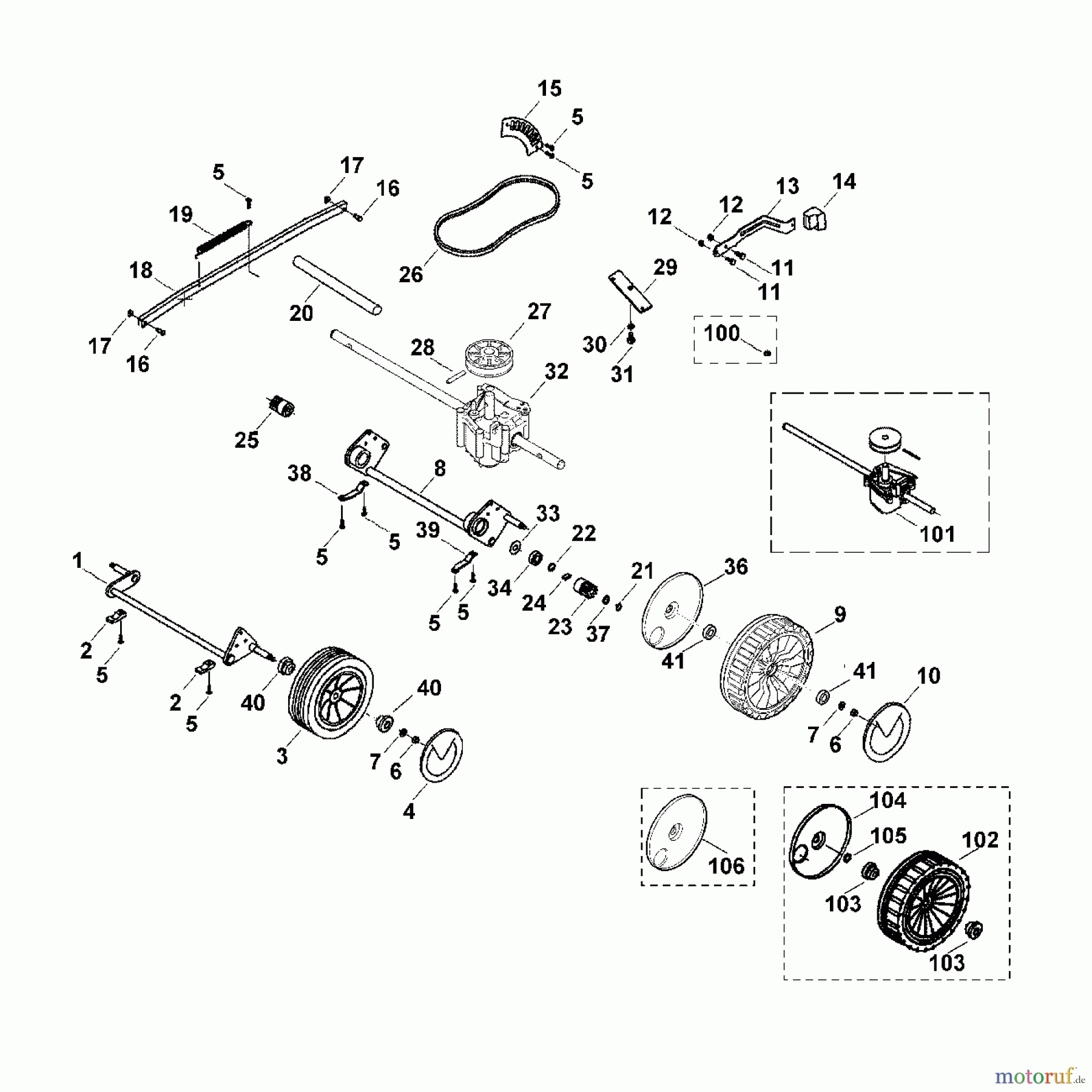
Hier finden Sie die Ersatzteilzeichnung für Viking Rasenmäher Benzinrasenmäher MB 455 BC C - Fahrwerk. Wählen Sie das benötigte Ersatzteil aus der Ersatzteilliste Ihres Viking Gerätes aus und bestellen Sie einfach online. Viele Viking Ersatzteile halten wir ständig in unserem Lager für Sie bereit.
Häufig benötigte Viking Benzinrasenmäher MB 455 BC C - Fahrwerk Ersatzteile


Qualitätsmanagement
Informieren Sie uns, wenn Sie einen Fehler gefunden haben.


















