AEG Powertools Winkelschleifer WS 12-125 XE Ersatzteile
WS 12-125 XE Winkelschleifer

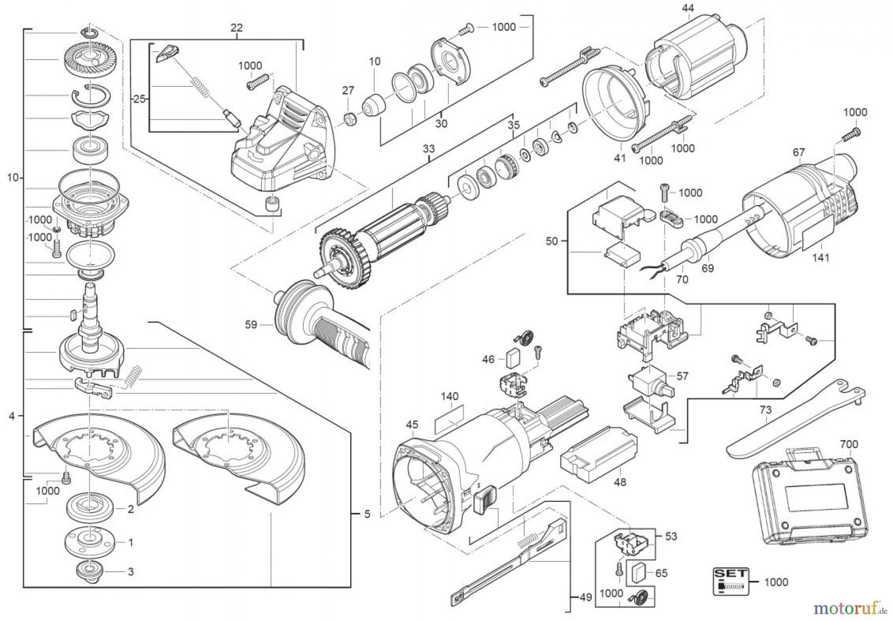
Hier finden Sie die Ersatzteilzeichnung für AEG Powertools Metallbearbeitung Winkelschleifer WS 12-125 XE. Wählen Sie das benötigte Ersatzteil aus der Ersatzteilliste Ihres AEG Powertools Gerätes aus und bestellen Sie einfach online. Viele AEG Powertools Ersatzteile halten wir ständig in unserem Lager für Sie bereit.


Qualitätsmanagement
Informieren Sie uns, wenn Sie einen Fehler gefunden haben.

