Hitachi ET-Liste RB24E Ersatzteile
ET-Liste RB24E Blasgeräte

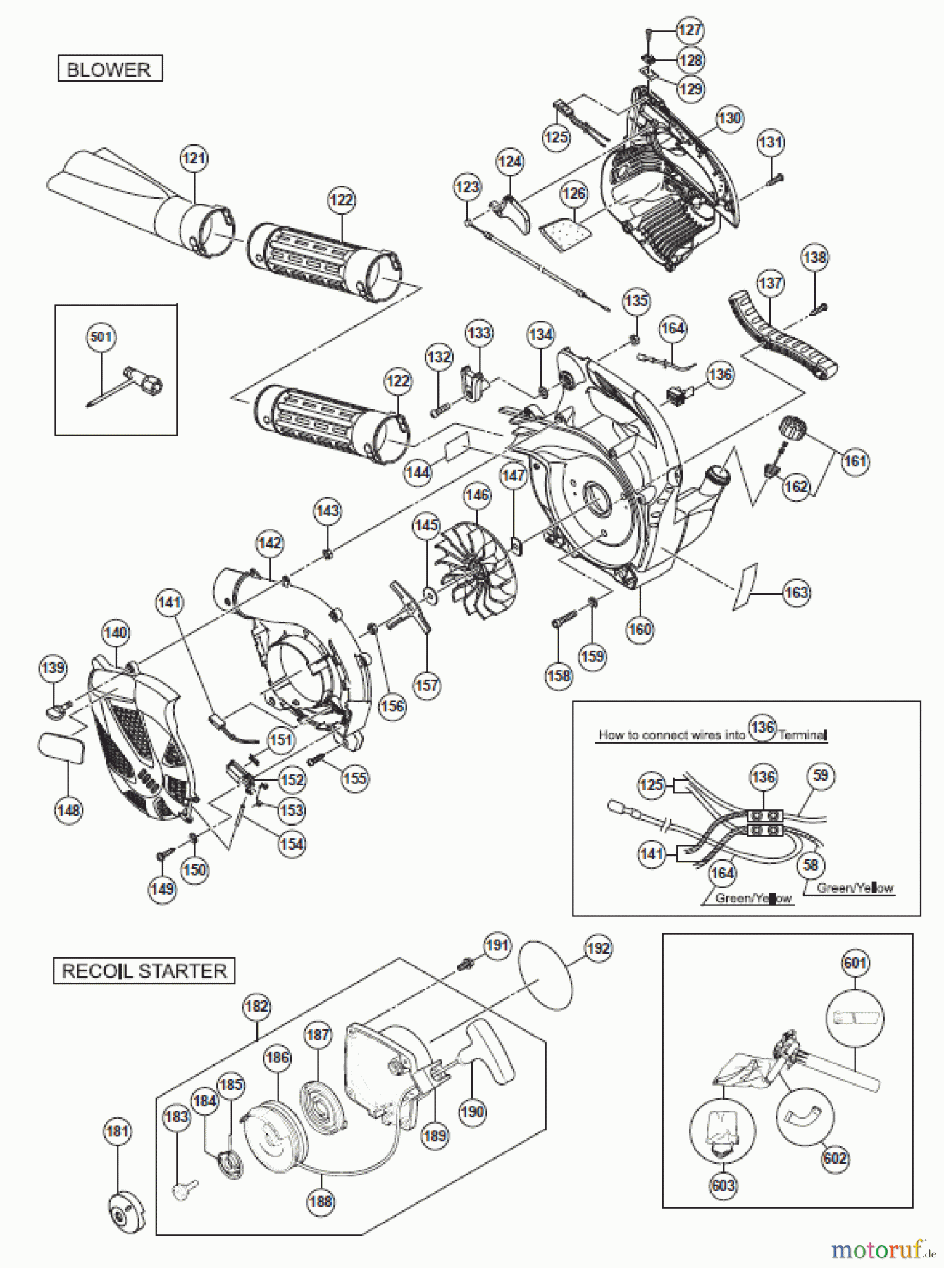
Hier finden Sie die Ersatzteilzeichnung für Hitachi Blasgeräte ET-Liste RB24E Seite 2. Wählen Sie das benötigte Ersatzteil aus der Ersatzteilliste Ihres Hitachi Gerätes aus und bestellen Sie einfach online. Viele Hitachi Ersatzteile halten wir ständig in unserem Lager für Sie bereit.





