Hitachi ET-Liste CS30EG(S)/CS35EG(S) Ersatzteile
ET-Liste CS30EG(S)/CS35EG(S) Motorsägen

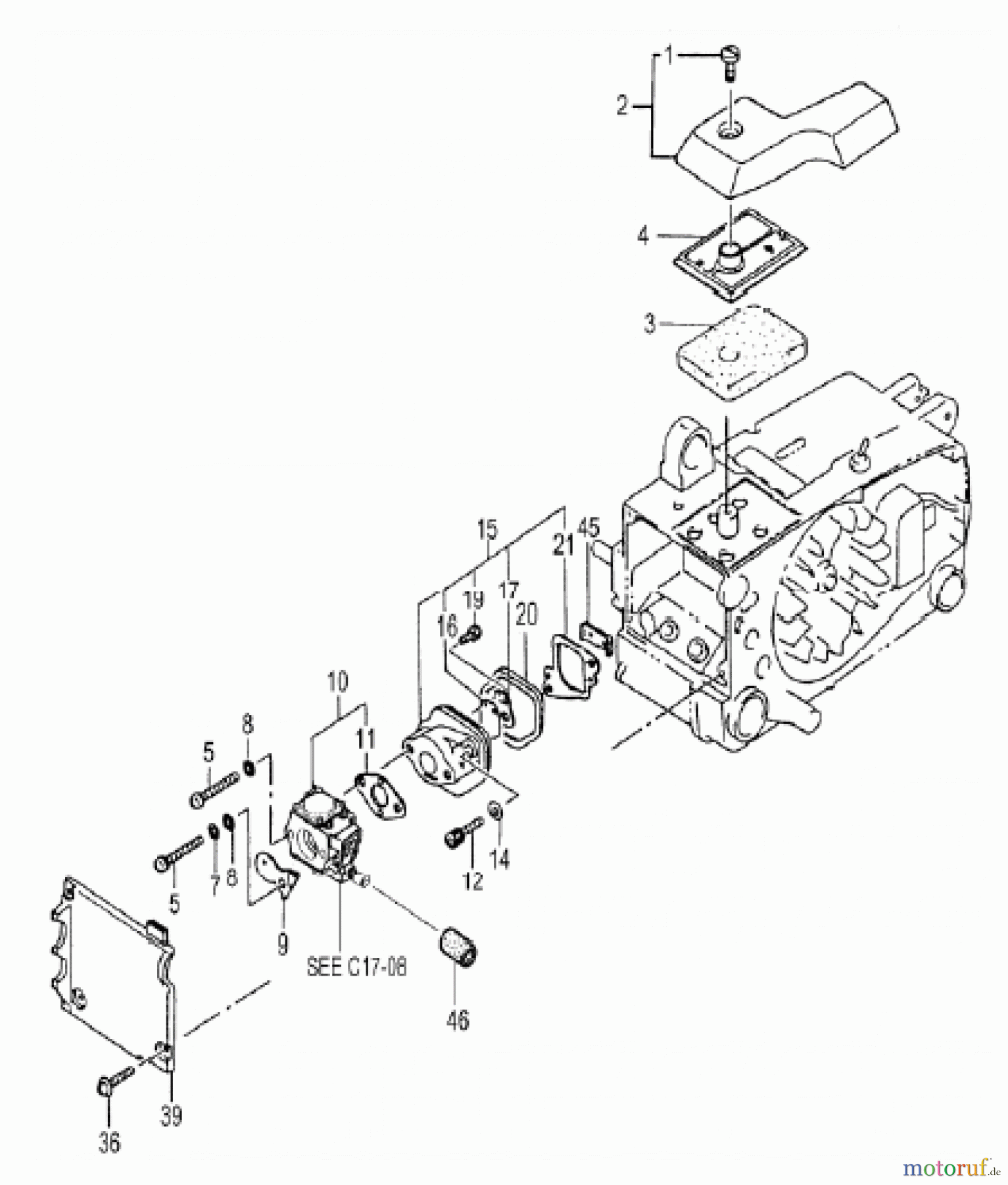
Hier finden Sie die Ersatzteilzeichnung für Hitachi Motorsägen ET-Liste CS30EG(S)/CS35EG(S) Seite 4. Wählen Sie das benötigte Ersatzteil aus der Ersatzteilliste Ihres Hitachi Gerätes aus und bestellen Sie einfach online. Viele Hitachi Ersatzteile halten wir ständig in unserem Lager für Sie bereit.



