Hitachi ET-Liste CS30EH(S)/35EH(S) Ersatzteile
ET-Liste CS30EH(S)/35EH(S) Motorsägen

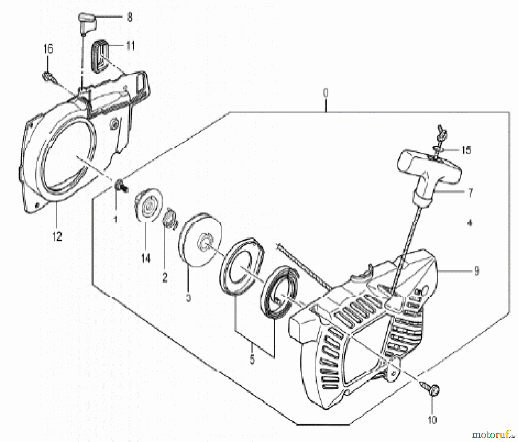
Hier finden Sie die Ersatzteilzeichnung für Hitachi Motorsägen ET-Liste CS30EH(S)/35EH(S) Seite 6. Wählen Sie das benötigte Ersatzteil aus der Ersatzteilliste Ihres Hitachi Gerätes aus und bestellen Sie einfach online. Viele Hitachi Ersatzteile halten wir ständig in unserem Lager für Sie bereit.


Qualitätsmanagement
Informieren Sie uns, wenn Sie einen Fehler gefunden haben.

