Hitachi ET-Liste CG27EJ-SL Ersatzteile
ET-Liste CG27EJ-SL Motorsensen

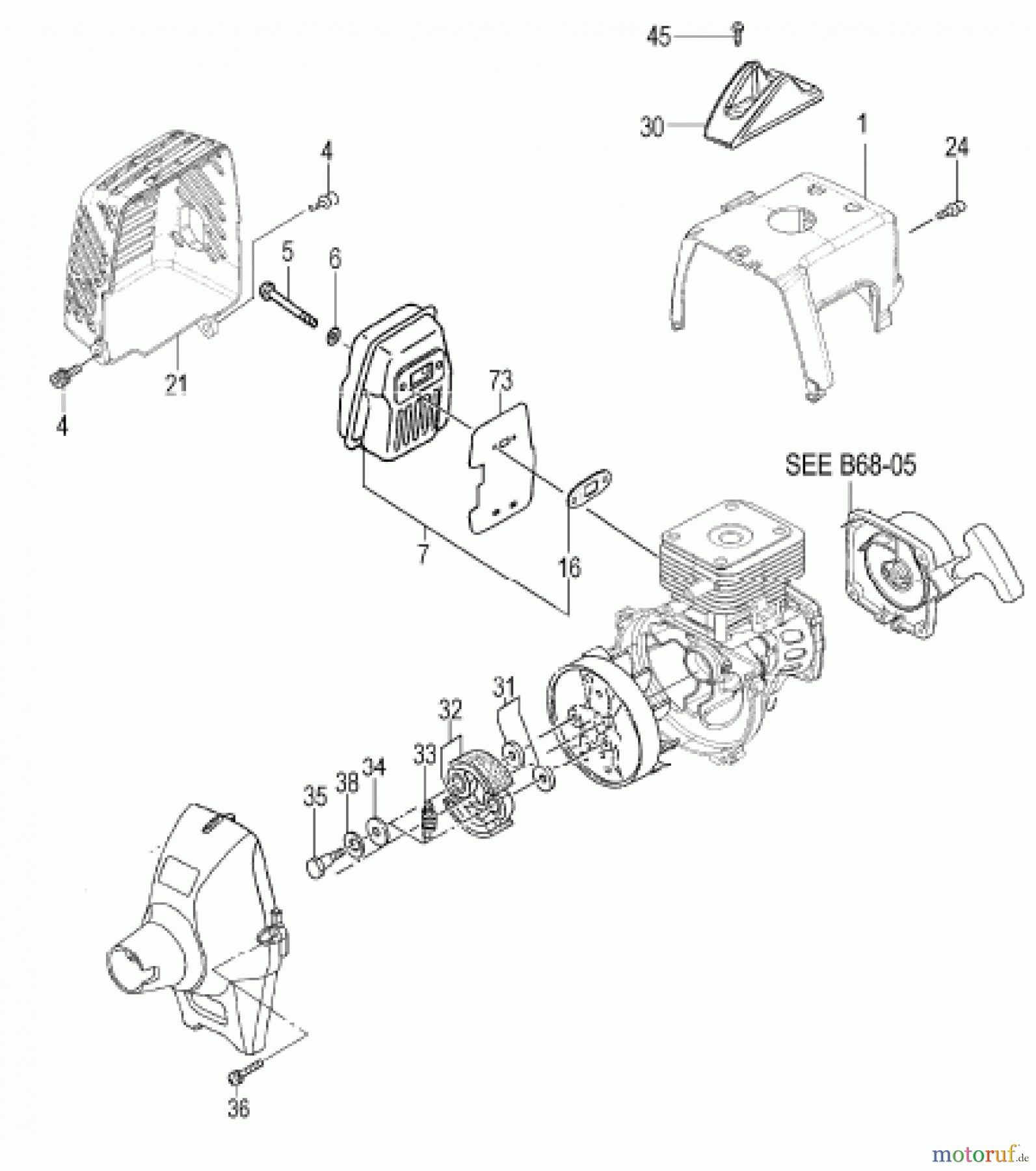
Hier finden Sie die Ersatzteilzeichnung für Hitachi Motorsensen ET-Liste CG27EJ-SL Seite 4. Wählen Sie das benötigte Ersatzteil aus der Ersatzteilliste Ihres Hitachi Gerätes aus und bestellen Sie einfach online. Viele Hitachi Ersatzteile halten wir ständig in unserem Lager für Sie bereit.


Qualitätsmanagement
Informieren Sie uns, wenn Sie einen Fehler gefunden haben.

