Ryobi Exzenterschleifgerät ERO2412VHG Ersatzteile
ERO2412VHG Exzenterschleifgerät

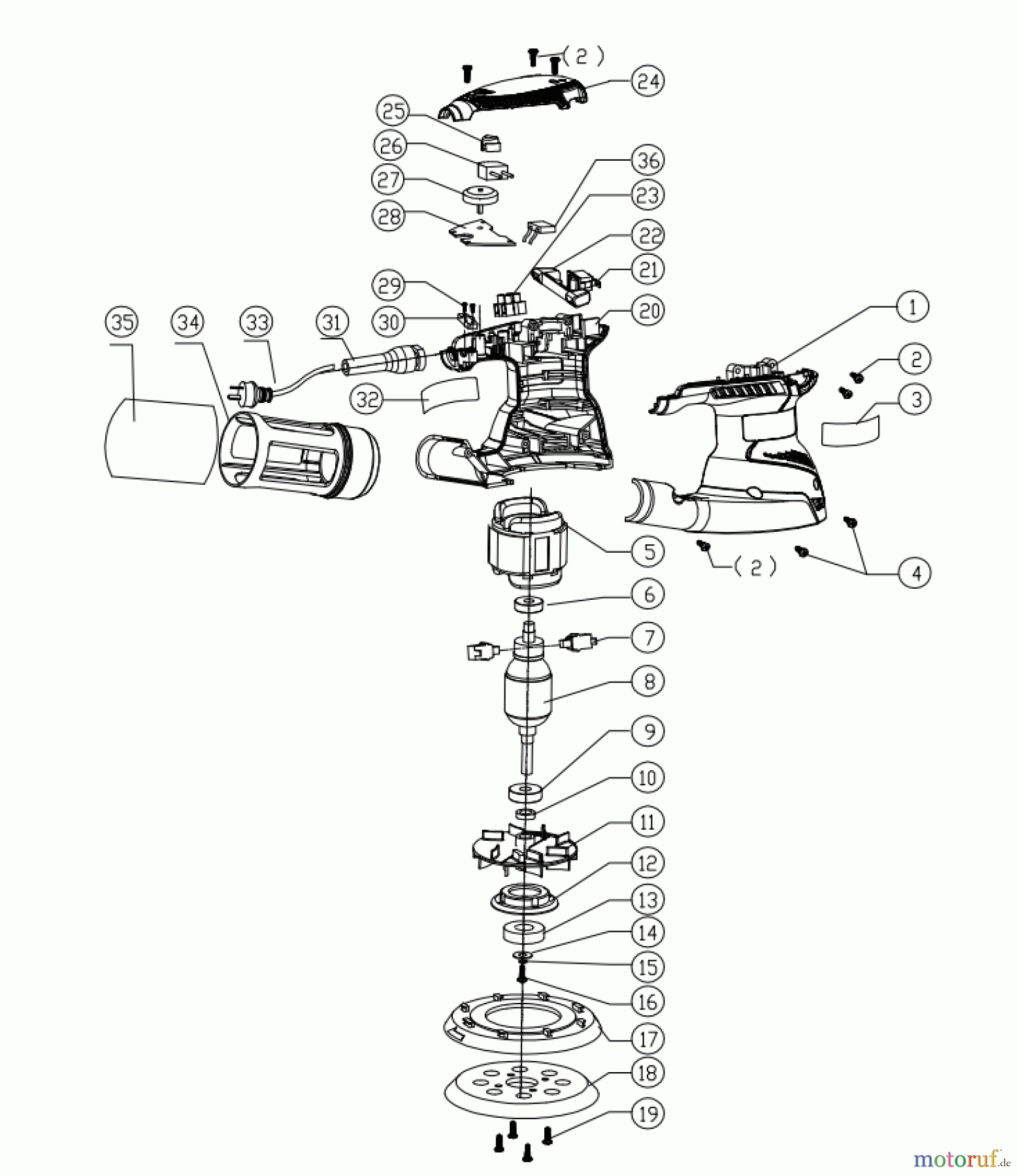
Hier finden Sie die Ersatzteilzeichnung für Ryobi Schleifgeräte Exzenterschleifgerät ERO2412VHG Seite 1. Wählen Sie das benötigte Ersatzteil aus der Ersatzteilliste Ihres Ryobi Gerätes aus und bestellen Sie einfach online. Viele Ryobi Ersatzteile halten wir ständig in unserem Lager für Sie bereit.


Qualitätsmanagement
Informieren Sie uns, wenn Sie einen Fehler gefunden haben.

