Sterwins 530 BTC 12B-868F638 (2013) Getriebe, Motor Ersatzteile
Getriebe, Motor 12B-868F638 (2013)

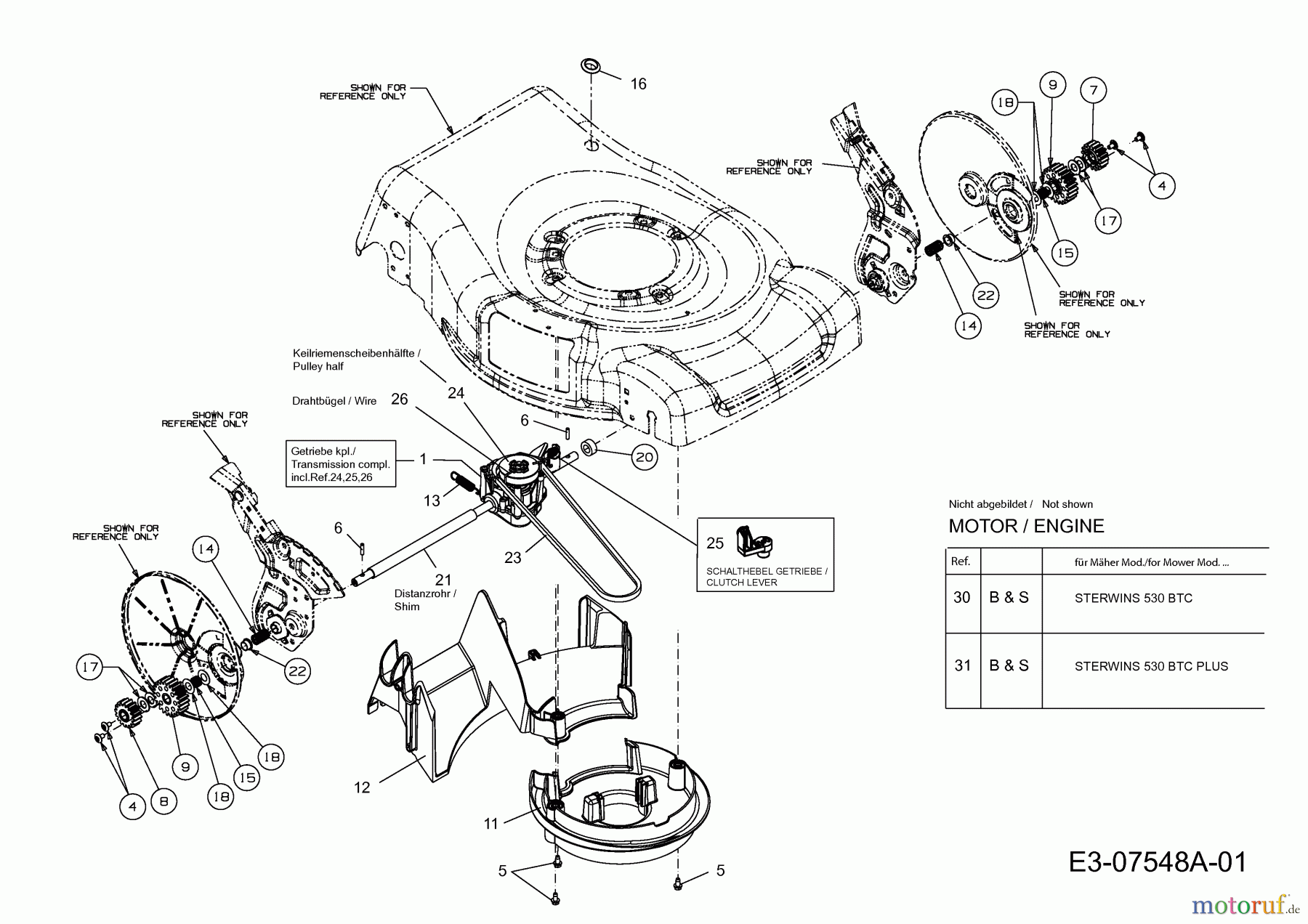
Hier finden Sie die Ersatzteilzeichnung für Sterwins Motormäher mit Antrieb 530 BTC 12B-868F638 (2013) Getriebe, Motor. Wählen Sie das benötigte Ersatzteil aus der Ersatzteilliste Ihres Sterwins Gerätes aus und bestellen Sie einfach online. Viele Sterwins Ersatzteile halten wir ständig in unserem Lager für Sie bereit.

















