Colombia PX 16 KB 107 H 13AG796G646 (2010) Motorzubehör Ersatzteile
Motorzubehör 13AG796G646 (2010)

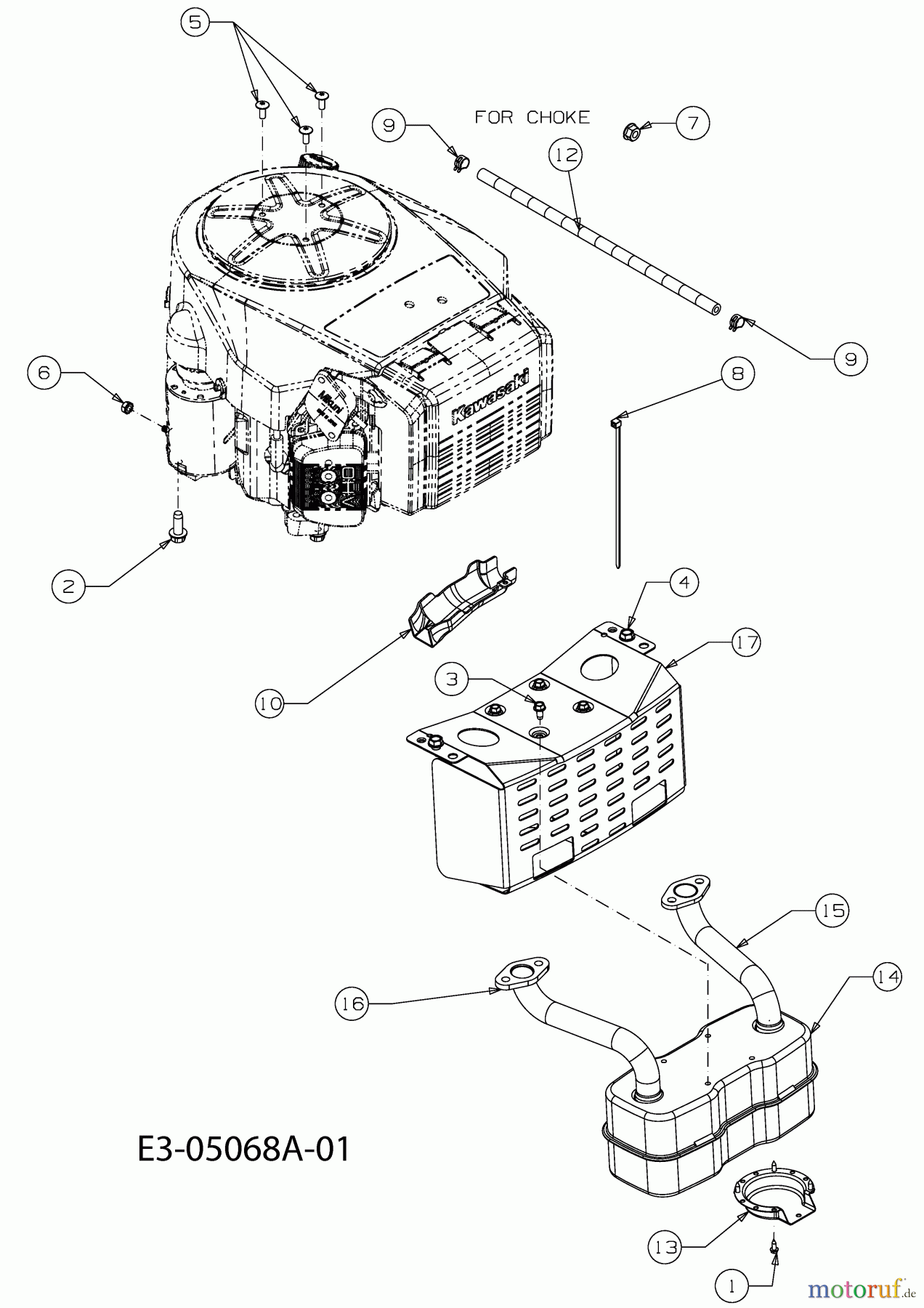
Hier finden Sie die Ersatzteilzeichnung für Colombia Rasentraktoren PX 16 KB 107 H 13AG796G646 (2010) Motorzubehör. Wählen Sie das benötigte Ersatzteil aus der Ersatzteilliste Ihres Colombia Gerätes aus und bestellen Sie einfach online. Viele Colombia Ersatzteile halten wir ständig in unserem Lager für Sie bereit.


Qualitätsmanagement
Informieren Sie uns, wenn Sie einen Fehler gefunden haben.








