Max Bahr MRHW 3,5/48 R 12A-12M1627 (2009) Getriebe, Leitstück hinten, Schnitthöhenverstellung Ersatzteile
Getriebe, Leitstück hinten, Schnitthöhenverstellung 12A-12M1627 (2009)

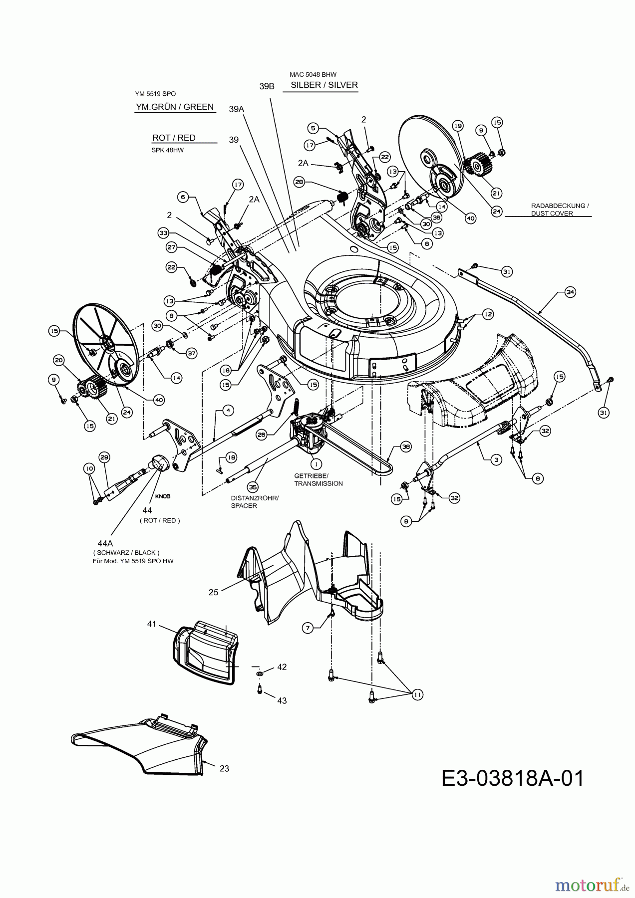
Hier finden Sie die Ersatzteilzeichnung für Max Bahr Motormäher mit Antrieb MRHW 3,5/48 R 12A-12M1627 (2009) Getriebe, Leitstück hinten, Schnitthöhenverstellung. Wählen Sie das benötigte Ersatzteil aus der Ersatzteilliste Ihres Max Bahr Gerätes aus und bestellen Sie einfach online. Viele Max Bahr Ersatzteile halten wir ständig in unserem Lager für Sie bereit.


Qualitätsmanagement
Informieren Sie uns, wenn Sie einen Fehler gefunden haben.





















